EasyManua.ls Logo

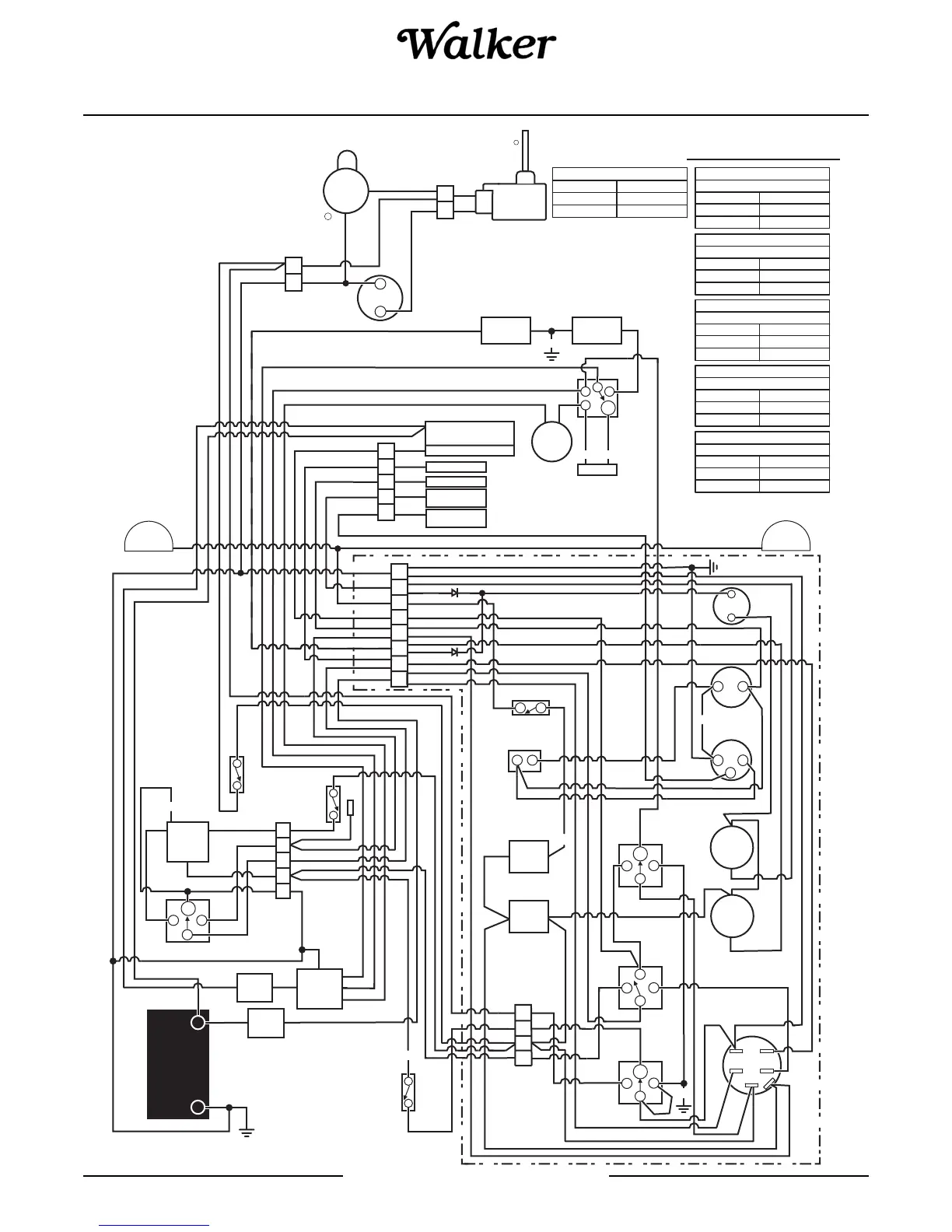
Walker MB - Wiring Diagram - Model MTL

Walker MB
256 pages
Print Icon
To Next Page IconTo Next Page
To Next Page IconTo Next Page
To Previous Page IconTo Previous Page
To Previous Page IconTo Previous Page
Loading...
Page: 5-10
WALKER MANUFACTURING COMPANY
July 2006
SERVICE INSTRUCTIONS
_
+
-
30
85
87
87A
30
85
30
85
87A
IGNITION SWITCH CIRCUITS
START
RUN
START
PTO ON
OFF
G + M
B + A
B + A / S1 + S2
S1 = START CIRCUIT
M = MAGNETO GROUND CIRCUIT
RELAY - A
PTO RELAY
OFF
30 + 87A
OPEN
30 + 87A
START
RUN
RELAY - B
START RELAY
OFF
30 + 87
OPEN
OPEN
START
RUN
RELAY - C
FAN INTERRUPT RELAY
OFF
OPEN
30 + 87A
30 + 87A
RUN (LOW)
RUN (HIGH)
RELAY - D
FAN SPEED CONTROL
OFF
30 + 87A
30 + 87
30 + 87A
START
RUN
RELAY - E
DELAY RELAY
OFF
OPEN
OPEN
30 + 87A
B = BATTERY CIRCUIT
A = ACCESSORY CIRCUIT
G = GROUND CIRCUIT
BATTERY
BLK
CHASSIS
GROUND
RED
BLK
BLK
RED
RED
BRN
REVERSING
MODULE
GRA
ORG/WHT
RED
BRN
SEAT
SWITCH
RED
GRN
GRN
BRN
BRN
WHT
RED
BLK
WHT
BLK/WHT
RED
RED/YEL
PUR
BRN
GRA
ORG
GRA
GRN
PTO
SWITCH
INTERLOCK
RELAY - E
WHT
RED
BLK
30
85
86
BRN/WHT
INTERLOCK
NEUTRAL
SWITCH
FSC
87A
PUR
PUR
PUR
PUR
GRN
GRA
BLU
BLK
BLK
BLK
BLK
PUR
PUR
PUR
BLK
BLK
BLK
BLU
PUR
PUR
BLU
VOLTAGE
METER
OPTIONAL
LIGHTS
OPTIONAL
LIGHT
BLK
BLK/WHT
BLK/WHT
BLK/WHT
ORG
ORG
POWERFIL
MOTOR
BLK
RED
YEL BLU
WHT WHT
BLK
GRN GRN
BLU BLU
PUR PUR
ORG/BLU
WATER
TEMP
SWITCH 1/4"
BLU BLK
GRN
GRN
87
86 85
87A
30
GRA
BLU
BLU
RESISTOR
BRN
ORG/WHT
WHT/ORG
WHT/ORG
FAN
RELAY - D
BLK
SWITCH
ENGINE
WATER TEMP
MAGNETO
REGULATOR
GAUGE SENDER
STARTER
STARTER SOLENOID
OIL PRESSURE
BLKRED
BLK
SWITCH
GRASS PAK
HORN
BLU
BLK
GRA
PUR
BLK/WHT
BLK/WHT
PUR
PUR
PUR
RELAY C
RELAY B
RELAY A
GRA
PUR
PUR
BLK
GRAGRA
RED
RED
RED
RED
ORG/BLU
GRA
YEL
GRA
YEL
YEL
YEL
YEL
YEL
YEL
BLU/ORG
BLU/ORG
GRN
GRN
PUR
PUR
WHT
WHT
BLK
BLK
BLK
PUR
PUR
BLU
BLU
WHT
WHT
HOUR
LIGHTS
METER
RED
RED
RED
RED
RED
RED
RED
ORG
ORG
ORG
BRN/WHT
RED
RED
HORN
+
WARNING
WALKER MODEL MTL
Beginning S/N 2003-64669
+
-
R
WATER
TEMP
SWITCH 3/8"
10 AMP
CIRCUIT
BREAKER
7 AMP
CIRCUIT
BREAKER
30 AMP
CIRCUIT
BREAKER
30 AMP
CIRCUIT
BREAKER
OIL
PRESSURE
LIGHT
WATER
LIGHT
TEMP
WATER
TEMP
GI
GI
S
BLK
GRN
TIME
DELAY
MODULE
+
R
S2 = START / ACCESSORY CIIRCUIT
M
B
A
S1
S2
G
-
86
86
86
BLK
Wiring Diagram - Model MTL

Table of Contents

Related product manuals