EasyManua.ls Logo

Walker MB - Page 228

Walker MB
256 pages
Print Icon
To Next Page IconTo Next Page
To Next Page IconTo Next Page
To Previous Page IconTo Previous Page
To Previous Page IconTo Previous Page
Loading...
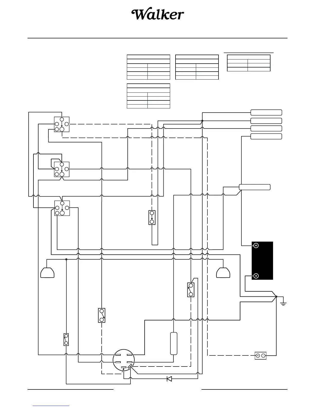
Page: 5-16
WALKER MANUFACTURING COMPANY
July 2006
SERVICE INSTRUCTIONS
OPTIONAL
LIGHTS
OPTIONAL
LIGHTS
OPTIONAL
LIGHTS
HOUR
METER
B
A
M
S1
S2
G
15 AMP
CIRCUIT
BREAKER
BATTERY
WALKER MODEL MB
Beginning S/N 2007-85248
S1 = START CIRCUIT
S2 = START/ACCESSORY CIRCUIT
M = MAGNETO GROUND CIRCUIT
B = BATTERY CIRCUIT
A = ACCESSORY CIRCUIT
G = GROUND CIRCUIT
RUN
RELAY - A
IGNITION RELAY
OFF
START
PTO ON
30 + 87
30 + 87
30 + 87A
30 + 87A
IGNITION SWITCH CIRCUITS
OFF
START
RUN
G + M
B + A / S1 + S2
B + A
RUN
RELAY - B
START RELAY
OFF
START
PTO ON
30 + 87
30 + 87
30 + 87A
30 + 87A
STARTER
SOLENOID
MAGNETO
RECTIFIER/REGULATOR
CARB SOLENOID
STARTER
RUN
RELAY - C
IGNITION RELAY
OFF
START
PTO ON
30 + 87
30 + 87
30 + 87A
30 + 87A
PUR
BLK
BLK
WHT
PUR
RED
RED
REDRED
RED
RED
RED RED
RED
RED
RED/WHT
PUR/
WHT
PUR/WHT
BLU
BLU
RED
RED
BLK
BLK
BLK
WHT
PUR
PUR
PUR
PUR
ORG
PUR PUR
BRN/WHT
YEL
SEAT
SWITCH
PUR
PUR/
RED
PUR/
RED
PTO
SWITCH
FSC
NEUTRAL
INTERLOCK
SWITCH
RELAY - B
RED/WHT
YEL
YEL
WHT
YEL
BLK
BLK
BLK
RELAY - A
WHT
BLK
BLK
BRN
BRN
BLK
ORG
RELAY - C
BRN/WHT
87A
30
8586
87
87
87A
30
8586
30
8586
87
85
87A

Table of Contents

Related product manuals