EasyManua.ls Logo

Walker MC (16 HP - Page 45

Walker MC (16 HP
64 pages
Print Icon
To Next Page IconTo Next Page
To Next Page IconTo Next Page
To Previous Page IconTo Previous Page
To Previous Page IconTo Previous Page
Loading...
43
Effective Date 12-01-00 Use only genuine Walker
®
replacement parts.
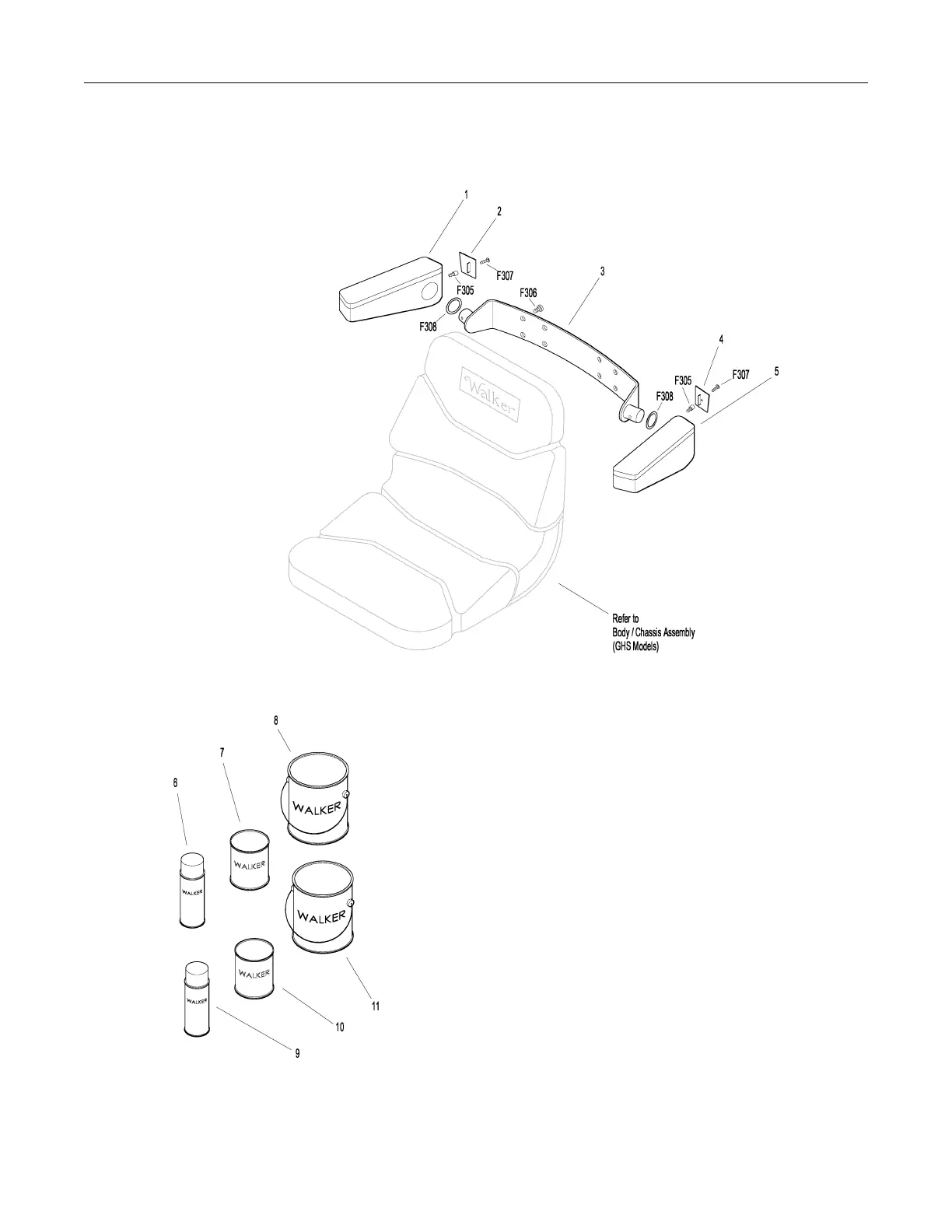
ARMREST KIT / TOUCH-UP PAINT

Related product manuals