EasyManua.ls Logo

Warwick WA600 - Technical data; Power amp and power supply

Warwick WA600
18 pages
Print Icon
To Next Page IconTo Next Page
To Next Page IconTo Next Page
To Previous Page IconTo Previous Page
To Previous Page IconTo Previous Page
Loading...
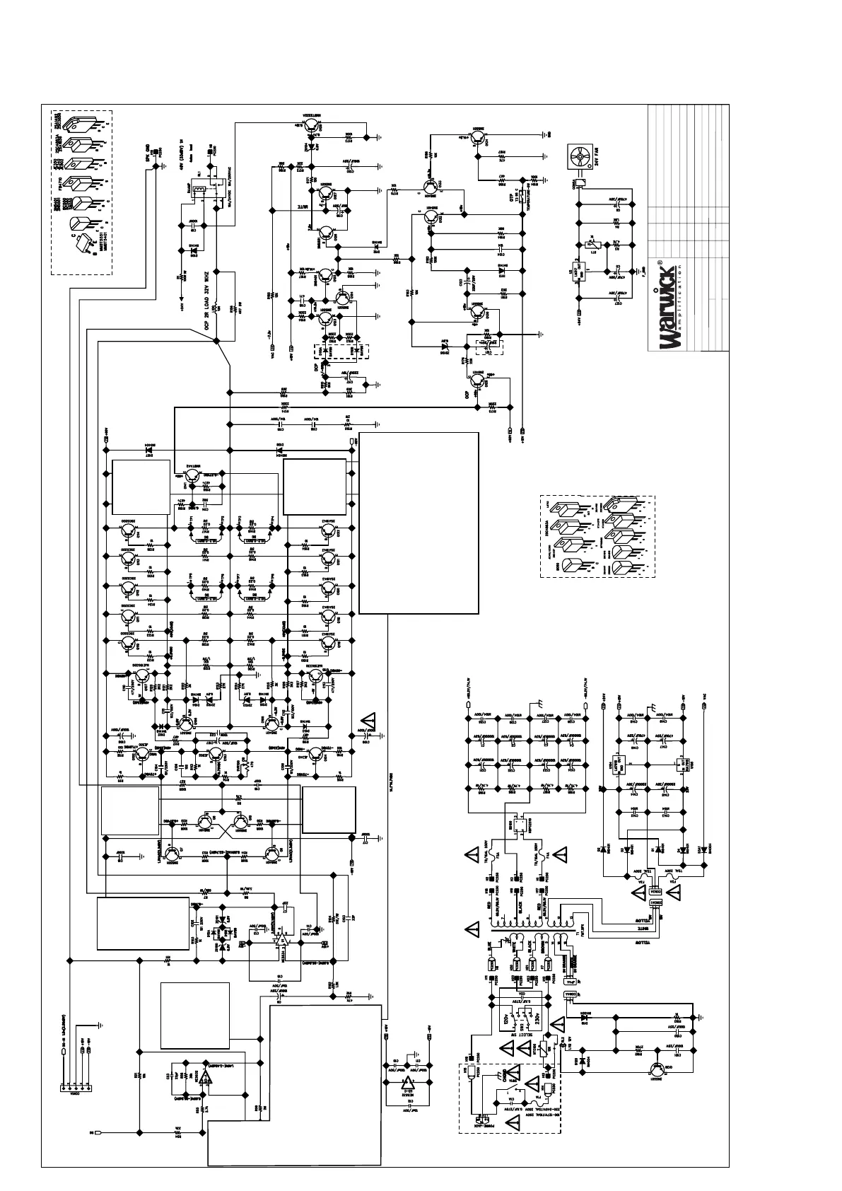
Technical data
1. Power amp and power supply
TITEL: WA 600 SCH
PRODUCT NAME: WA 600 Amp
DESIGNER:
DX
DATE: 2012.02.09
PCB P/N: 053-6051010010R
DWG NO: OY-0051-33 ES
SIZE:
SHEET:

Related product manuals