EasyManua.ls Logo

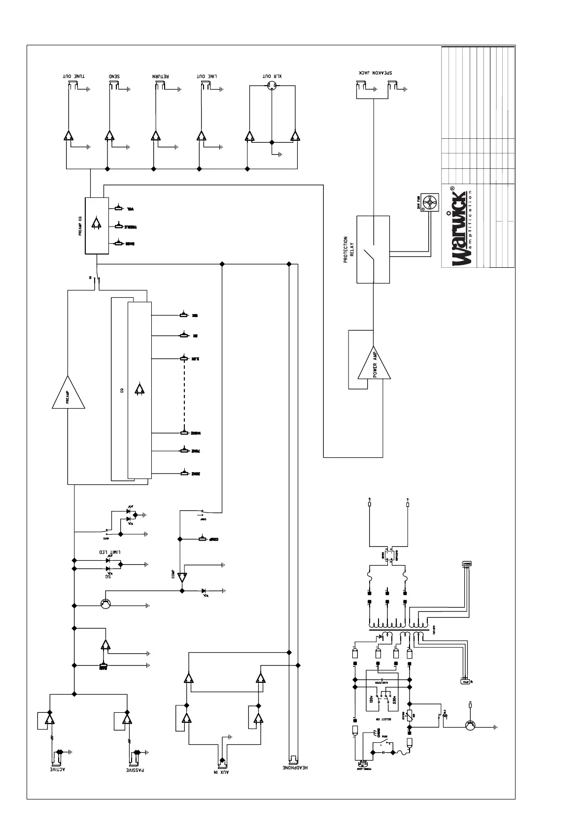
Warwick WA600 - Block schematic

Warwick WA600
18 pages
Print Icon
To Next Page IconTo Next Page
To Next Page IconTo Next Page
To Previous Page IconTo Previous Page
To Previous Page IconTo Previous Page
Loading...
2. Block schematic
TITEL: WA 600 SCH
PRODUCT NAME:
WA 600
DESIGNER: DX
DATE: 2012.02.09
PCB P/N: 053-6051010010R
DWG NO:O Y-0051-51EW-A
SIZE:
SHEE
T:

Related product manuals