EasyManua.ls Logo

WaterGroup Econoflo EFT30 - Page 19

Default Icon
22 pages
Print Icon
To Next Page IconTo Next Page
To Next Page IconTo Next Page
To Previous Page IconTo Previous Page
To Previous Page IconTo Previous Page
Loading...
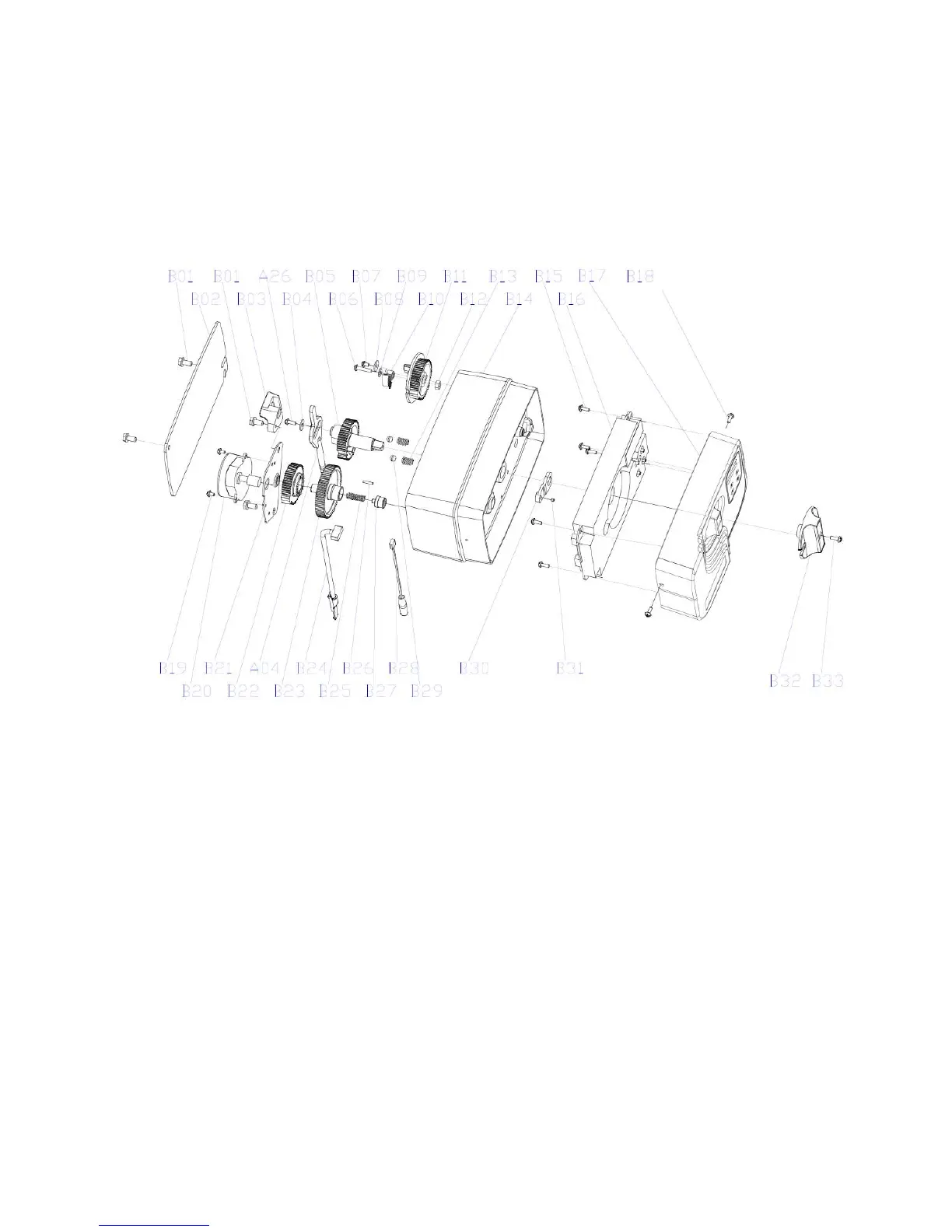
Power Head Exploded View
19

Related product manuals