EasyManua.ls Logo

Watersnake SLITHER SL - Electrical Connections and Battery Recommendations; Pre-Connection Safety Checks; Connecting Battery Terminals; Inline Fuse Recommendation

Default Icon
20 pages
Print Icon
To Next Page IconTo Next Page
To Next Page IconTo Next Page
To Previous Page IconTo Previous Page
To Previous Page IconTo Previous Page
Loading...
www.watersnake.com.au
7
DEEP CYCLE BATTERIES
Deep Cycle batteries are
constructed using thicker battery
plates and a denser active
material to withstand repeated
charge and recharge cycles.
Rather than providing high bursts
of power for short periods of
time they are specially designed
to deliver sustained power with
low current draw over extended
periods of time.
(1)
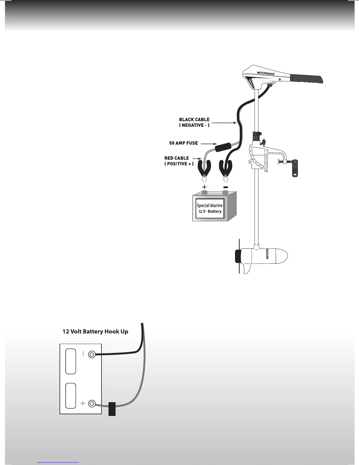
SLITHER SL
ELECTRICAL CONNECTIONS
Before connecting the motor’s
cables to the battery terminals,
ensure all switches are in the
OFF position and stand clear of
the propeller.
Connect the red cable to the
positive (+) terminal and the black
cable to the negative (-) terminal,
making sure the terminals are
clean before doing so. A clean
connection will minimise power
wastage and give you maximum
power from the battery.
Please Note: for best performance
please keep battery terminals and
connections clean.
It is recommended to use an
inline fuse to protect the circuit
of the motor, this is a connection
that joins the motor battery cable
to the battery and shuts the
motor off if the connection over
heats. As shown on diagram (1)
We recommend using a deep
cycle marine battery for
optimum performance.
*In line fuse kits available separately
See page 16 for more details.
*
50 amp
circuit
breaker

Related product manuals