EasyManua.ls Logo

Wavetek 171 - Page 17

Default Icon
43 pages
Print Icon
To Next Page IconTo Next Page
To Next Page IconTo Next Page
To Previous Page IconTo Previous Page
To Previous Page IconTo Previous Page
Loading...
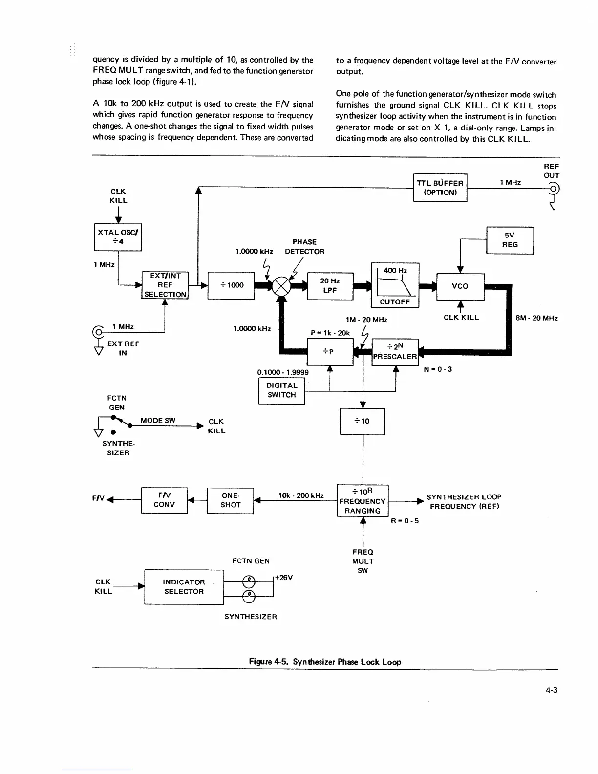
quency
1s
divided
by
a multiple
of
10,
as
controlled
by
the
FREQ
MU
LT range switch, and fed
to
the
function generator
phase
lock loop
(figure
4-1).
A
1
Ok
to
200
kHz
output
is
used
to
create
the
F
N
signal
which gives rapid function generator response
to
frequency
changes. A one-shot changes
the
signal
to
fixed width pulses
whose spacing
is
frequency dependent. These are converted
CLK
KILL
XTALOSC/
+4
PHASE
to
a frequency
dependent
voltage
level
at
the
F
N
converter
output.
One
pole
of
the
function generator/synthesizer mode switch
furnishes
the
ground signal
CLK
Kl LL. CLK
Kl
LL
stops
synthesizer
loop
activity when
the
instrument
is
in
function
generator mode
or
set
on
X
1,
a
dial-only
range. Lamps in-
dicating
mode
are
also controlled
by this
CLK KILL.
REF
OUT
TTL
BUFFER
1
MHz
~
(OPTION)
5V
REG
1.0000
kHz DETECTOR
1
MHz
EXT/INT
REF
SELECTION
+1000
~
1 MHz
EXT
REF
IN
FCTN
GEN
~CLK
V e -
..--
KILL
SYNTHE-
SIZER
1.0000
kHz
0.1000
- 1.9999
DIGITAL
SWITCH
20
Hz
LPF
FN
FN
ONE-
10k
200
kHz
CONV
SHOT
FCTN GEN
CLK
·I
INDICATOR
I
~
1+26V
Kill
SELECTOR
SYNTHESIZER
1M-20MHz
+10
+10R
FREQUENCY
RANGING
R
0-5
FREQ
MULT
SW
Figure 4-5. Synthesizer Phase Lock Loop
CLK
KILL
8M-20MHz
SYNTHESIZER
LOOP
FREQUENCY
(REF)
4-3

Other manuals for Wavetek 171