EasyManua.ls Logo

Wavetronix Click 210 - Page 247

Wavetronix Click 210
260 pages
Print Icon
To Next Page IconTo Next Page
To Next Page IconTo Next Page
To Previous Page IconTo Previous Page
To Previous Page IconTo Previous Page
Loading...
246 CHAPTER 29 CLICK 421
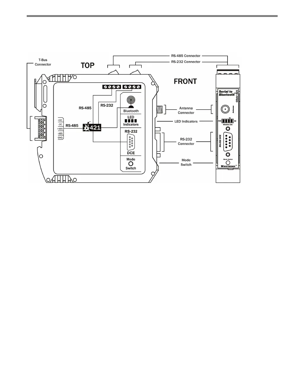
Physical Features
e Click 421 has several communication ports, plus features for conguration.
Figure 28.2 – Diagram of the Click 421
Communication Ports
e back of the Click 421 features a 5-position connector that plugs into a T-bus connector
and provides power and RS-485 communication to the device. It also passes that RS-485
communication to all other devices on the T-bus.
e top of the device has two pluggable screw terminal blocks. e rst block features -485,
+485 and two ground screw terminals for wiring RS-485 communication. (It will not be
necessary, however, to wire RS-485 through the screw terminal block if the device is con-
nected to a T-bus with uninterrupted RS-485 communication.) e second block features
RTS, CTS, TD and RD screw terminals for RS-232 communication. Both of these screw
terminal blocks can be removed for easy preinstallation wiring.
e front of the Click 421 features a DB-9 connector for RS-232 communication. A straight-
through cable can be used to connect from this port to a computer so that the device can be
congured using Click Supervisor.
Any data on one port will be transmitted simultaneously on all other ports.
Antenna
e Click 421 has a reversed polarity SMA antenna connector. An external antenna can be

Table of Contents

Other manuals for Wavetronix Click 210

Related product manuals