EasyManua.ls Logo

Wavetronix Click 222 - Page 209

Default Icon
260 pages
Print Icon
To Next Page IconTo Next Page
To Next Page IconTo Next Page
To Previous Page IconTo Previous Page
To Previous Page IconTo Previous Page
Loading...
208 CHAPTER 24 CLICK 304
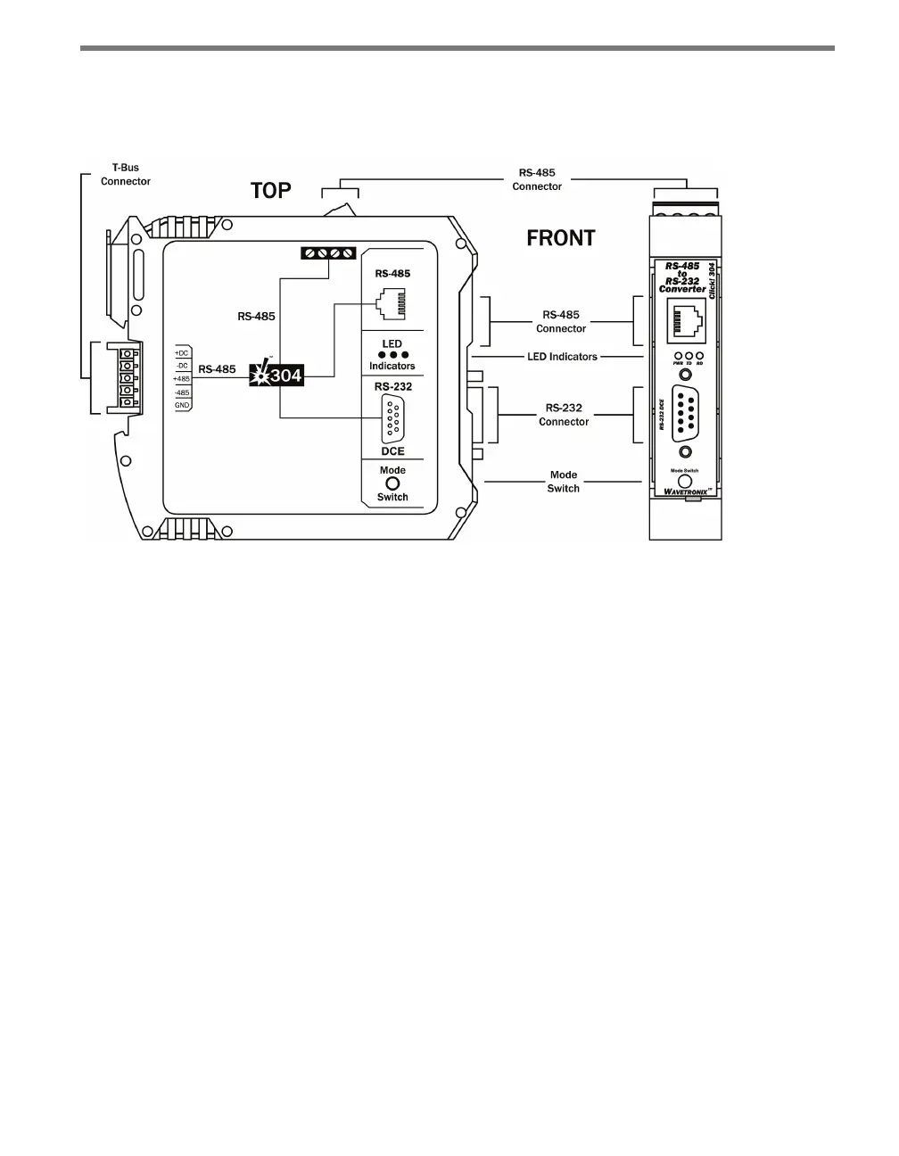
Physical Features
e Click 304 has several communication ports, as well as features for conguration.
Figure 24.2 – Diagram of the Click 304
Communication Ports
e back of the Click 304 features a 5-position connector that plugs into a T-bus connector
and provides power and RS-485 communication to the device. It also passes RS-485 com-
munication from the Click 304 to all other devices on the T-bus.
e top of the device has a pluggable screw terminal block that features four terminals—one
-485, one +485 and two grounds—for wiring RS-485 communication. is screw terminal
block can be removed for easy preinstallation wiring. It will not be necessary, however, to
wire RS-485 through the screw terminal block if the device is connected to a T-bus with
uninterrupted RS-485 communication.
e front of the Click 304 features a DB-9 connector and an RJ-11 connector for RS-232
and RS-485 communication. A straight-through cable can be used to connect from the
RS-232 DB-9 connector to a computer so that the device can be congured using Click
Supervisor. An RJ-11 cable can be connected from the front of the Click 304 to the front of
the Click 172/174 contact closure cards.
Any data on one port will be transmitted simultaneously on all other ports.

Table of Contents

Other manuals for Wavetronix Click 222

Related product manuals