EasyManua.ls Logo

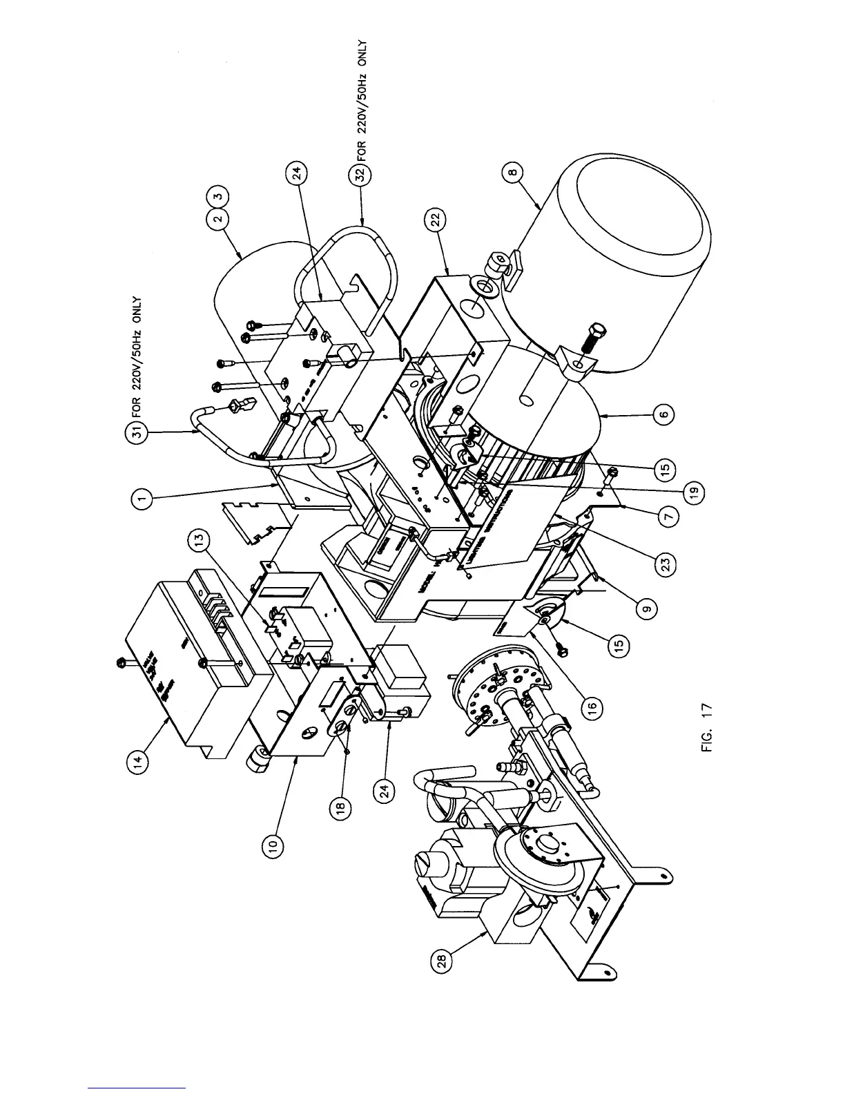
Wayne HSG200 - Exploded View

Wayne HSG200
23 pages
Print Icon
To Next Page IconTo Next Page
To Next Page IconTo Next Page
To Previous Page IconTo Previous Page
To Previous Page IconTo Previous Page
Loading...
PAGE 18