EasyManua.ls Logo

Weed Eater WEX145H42B - Page 4

Weed Eater WEX145H42B
21 pages
Print Icon
To Next Page IconTo Next Page
To Next Page IconTo Next Page
To Previous Page IconTo Previous Page
To Previous Page IconTo Previous Page
Loading...
3
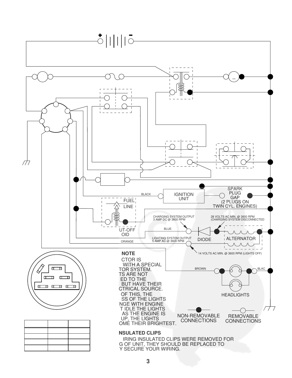
TRACTOR - - MODEL NUMBER WEX145H42B
SCHEMATIC
BATTERY
FUSE 30 AMP.
IGNITION
SWITCH
RED
RED
RED
BLACK
IGNITION
UNIT
HEADLIGHTS
NON-REMOVABLE
CONNECTIONS
REMOVABLE
CONNECTIONS
BLACK
BLUE
BLACK
BLACK
WHITE
WHITE
WHITE
BLUE
BLACK
ORANGE
BLACK
BROWN
BLACK
STARTER
M
SEAT SWITCH
(NOT OCCUPIED)
GROUNDING
CONNECTOR
ATT'MENT CLUTCH
(CLUTCH OFF)
CLUTCH / BRAKE
(PEDAL UP)
SOLENOID
BLACK
LIGHTING SYSTEM OUTPUT
5 AMP AC @ 3600 RPM
ALTERNATOR
14 VOLTS AC MIN. @ 3600 RPM (LIGHTS OFF)
DIODE
28 VOLTS AC MIN. @ 3600 RPM 
(CHARGING SYSTEM DISCONNECTED)
CHARGING SYSTEM OUTPUT
3 AMP DC @ 3600 RPM
NOTE
YOUR TRACTOR IS
EQUIPPED WITH A SPECIAL
ALTERNATOR SYSTEM.
THE LIGHTS ARE NOT 
CONNECTED TO THE
BATTERY, BUT HAVE THEIR
OWN ELECTRICAL SOURCE.
BECAUSE OF THIS, THE
BRIGHTNESS OF THE LIGHTS
WILL CHANGE WITH ENGINE
SPEED. AT IDLE THE LIGHTS
WILL DIM. AS THE ENGINE IS
SPEEDED UP, THE LIGHTS
WILL BECOME THEIR BRIGHTEST.
WIRING INSULATED CLIPS
NOTE: IF WIRING INSULATED CLIPS WERE REMOVED FOR
SERVICING OF UNIT, THEY SHOULD BE REPLACED TO
PROPERLY SECURE YOUR WIRING.
A
AMMETER
RED
G
B
S
M
L
AY
IGNITION SWITCH
CIRCUITPOSITION
OFF
B + LRUN/LIGHT
B + L + SSTART
G + M + L
S
B
G
ML
B + LRUN
“MAKE”
A + Y
NONE
NONE
NONE
Y
A
HOUR
METER
(OPTIONAL)
(OPTIONAL)
FUEL SHUT-OFF
SOLENOID
FUEL
LINE
SPARK
PLUG
GAP
(2 PLUGS ON 
TWIN CYL. ENGINES)

Related product manuals