EasyManua.ls Logo

Weed Eater WEX145H42B - Engine

Weed Eater WEX145H42B
21 pages
Print Icon
To Next Page IconTo Next Page
To Next Page IconTo Next Page
To Previous Page IconTo Previous Page
To Previous Page IconTo Previous Page
Loading...
14
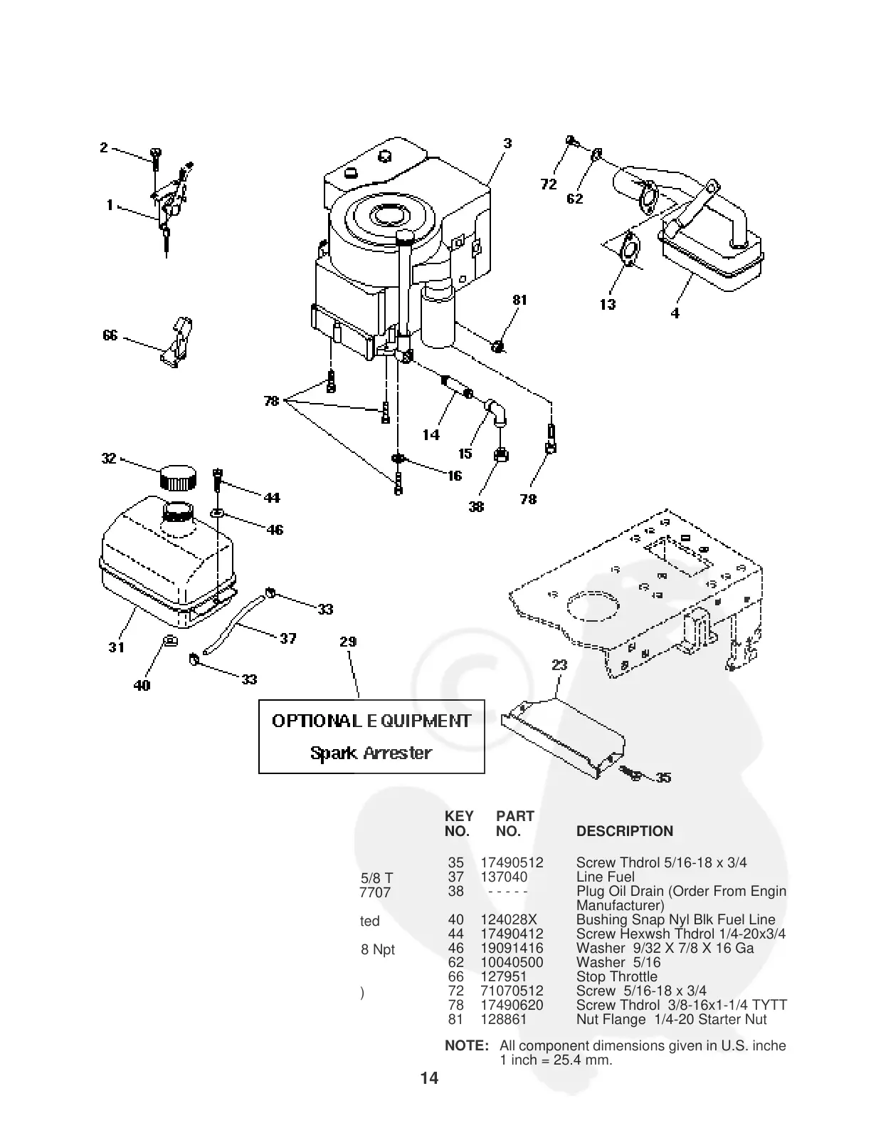
REPAIR PARTS
TRACTOR - - MODEL NUMBER WEX145H42B
ENGINE
KEY PART
NO. NO. DESCRIPTION
NOTE: All component dimensions given in U.S. inches.
1 inch = 25.4 mm.
1 141359 Control Th/ch
2 17720410 Screw Hex Thd Cut 1/4-20x5/8 T
3 - - - - - - Engine Briggs Model No. 287707
4 137352 Muffler Exhaust B&S
13 165291 Gasket Eng 1 313 Id Tin Plated
14 13280324 Nipple Pipe 3/8 Npt X 3"
15 13200300 Elbow Std 90 Degree 3/8-18 Npt
16 11050600 Washer Lock Ext Tooth 3/8
23 159880 Shield BRN/DBR Guard
29 137180 Kit Spark Arrestor (Flat Scrn)
31 109202X Tank Fuel Front
32 140527 Cap Asm Fuel
33 123487X Clamp Hose Blk
KEY PART
NO. NO. DESCRIPTION
35 17490512 Screw Thdrol 5/16-18 x 3/4
37 137040 Line Fuel
38 - - - - - Plug Oil Drain (Order From Engine
Manufacturer)
40 124028X Bushing Snap Nyl Blk Fuel Line
44 17490412 Screw Hexwsh Thdrol 1/4-20x3/4
46 19091416 Washer 9/32 X 7/8 X 16 Ga
62 10040500 Washer 5/16
66 127951 Stop Throttle
72 71070512 Screw 5/16-18 x 3/4
78 17490620 Screw Thdrol 3/8-16x1-1/4 TYTT
81 128861 Nut Flange 1/4-20 Starter Nut

Related product manuals