EasyManua.ls Logo

Weil-McLain 80 - Page 37

Weil-McLain 80
40 pages
Print Icon
To Next Page IconTo Next Page
To Next Page IconTo Next Page
To Previous Page IconTo Previous Page
To Previous Page IconTo Previous Page
Loading...
• Installation • Start-Up • Maintenance • Parts
37Part No. 550-141-935/0602
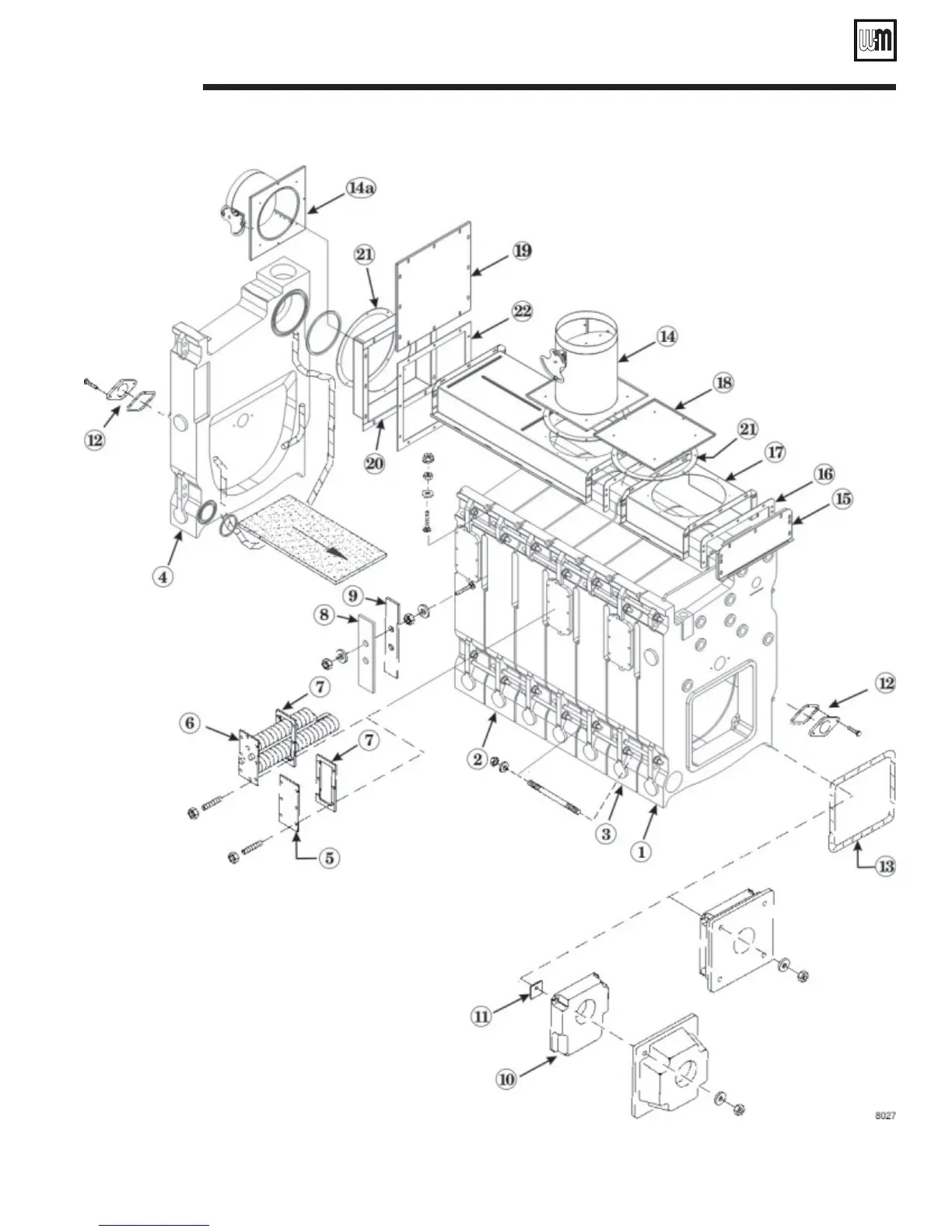
18 Parts (continued)

Related product manuals