EasyManua.ls Logo

Wells G19 - Page 10

Wells G19
36 pages
Print Icon
To Next Page IconTo Next Page
To Next Page IconTo Next Page
To Previous Page IconTo Previous Page
To Previous Page IconTo Previous Page
Loading...
6
1
4
1111
5
2
1010
99
6
3
1
5
2
6
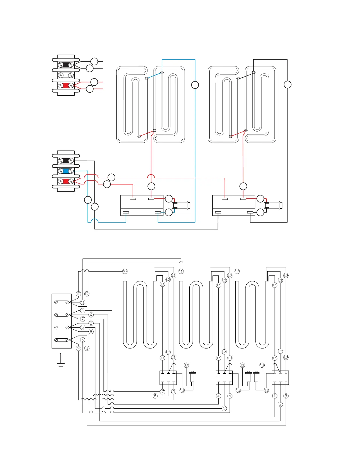
WIRING DIAGRAMS
G19
208 V, 240 V, 480 V
G19
380 V–415 V
single phase
L1
L1
L1
N
L2
L3
L3
L2
L2
three phase
[delta]
three phase
[wye]
thermostat
thermostat thermostatthermostat
thermostat