EasyManua.ls Logo

Wells G19 - Wiring Diagrams

Wells G19
36 pages
Print Icon
To Next Page IconTo Next Page
To Next Page IconTo Next Page
To Previous Page IconTo Previous Page
To Previous Page IconTo Previous Page
Loading...
2M-Z21001 Rev- Owner's Manual for IRCS4 Impingement/Radiant Split-Belt Conveyor Toaster
5
2M-303339 Rev H Owner’s Manual for Wells Countertop Electric Griddles
1
4
1111
5
2
3
1010
99
6
1
5
2
6
single phase
L1
L1
L3
L2
L2
three phase
[delta]
three phase
[wye]
N
L3
L2
L1
thermostat
thermostatthermostat
thermostat
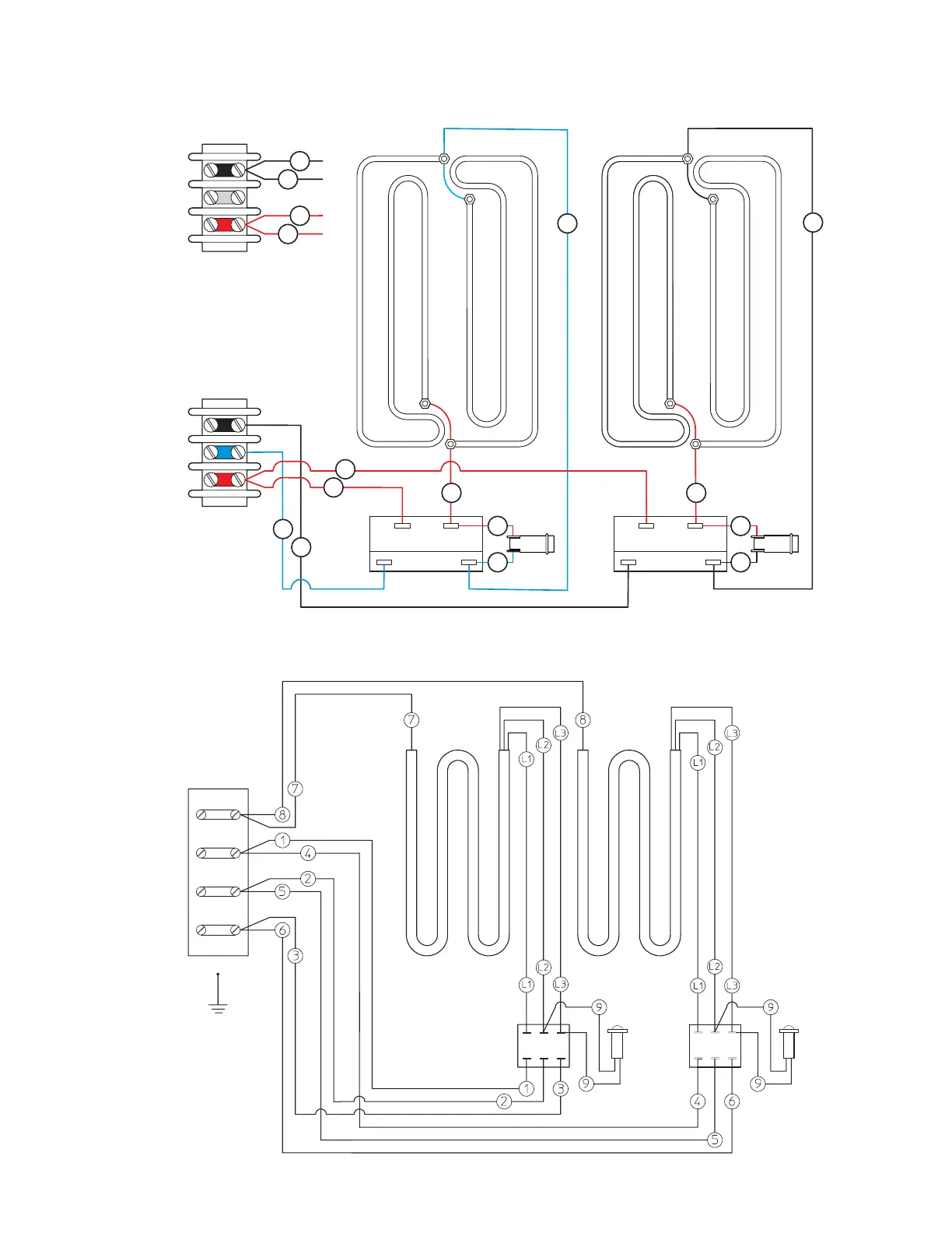
WIRING DIAGRAMS
G13
208 V, 240 V, 480 V
G13
380 V415 V

Other manuals for Wells G19

Related product manuals