EasyManua.ls Logo

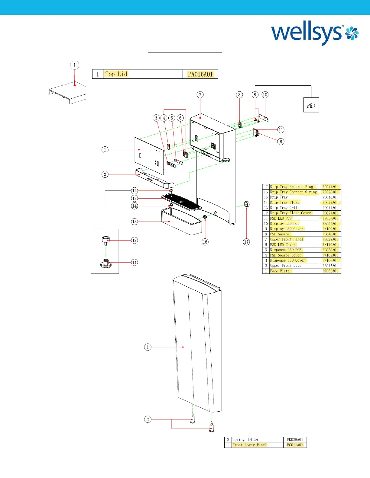
Wellsys W9 - W9 Parts Diagram

Wellsys W9
42 pages
Print Icon
To Next Page IconTo Next Page
To Next Page IconTo Next Page
To Previous Page IconTo Previous Page
To Previous Page IconTo Previous Page
Loading...
W9 Manual Page 15 - Revision: 10-06-2023
W9 PARTS DIAGRAM

Other manuals for Wellsys W9