EasyManua.ls Logo

Wen DF402iX - WIRING DIAGRAM; Electrical System Schematic

Wen DF402iX
44 pages
Print Icon
To Next Page IconTo Next Page
To Next Page IconTo Next Page
To Previous Page IconTo Previous Page
To Previous Page IconTo Previous Page
Loading...
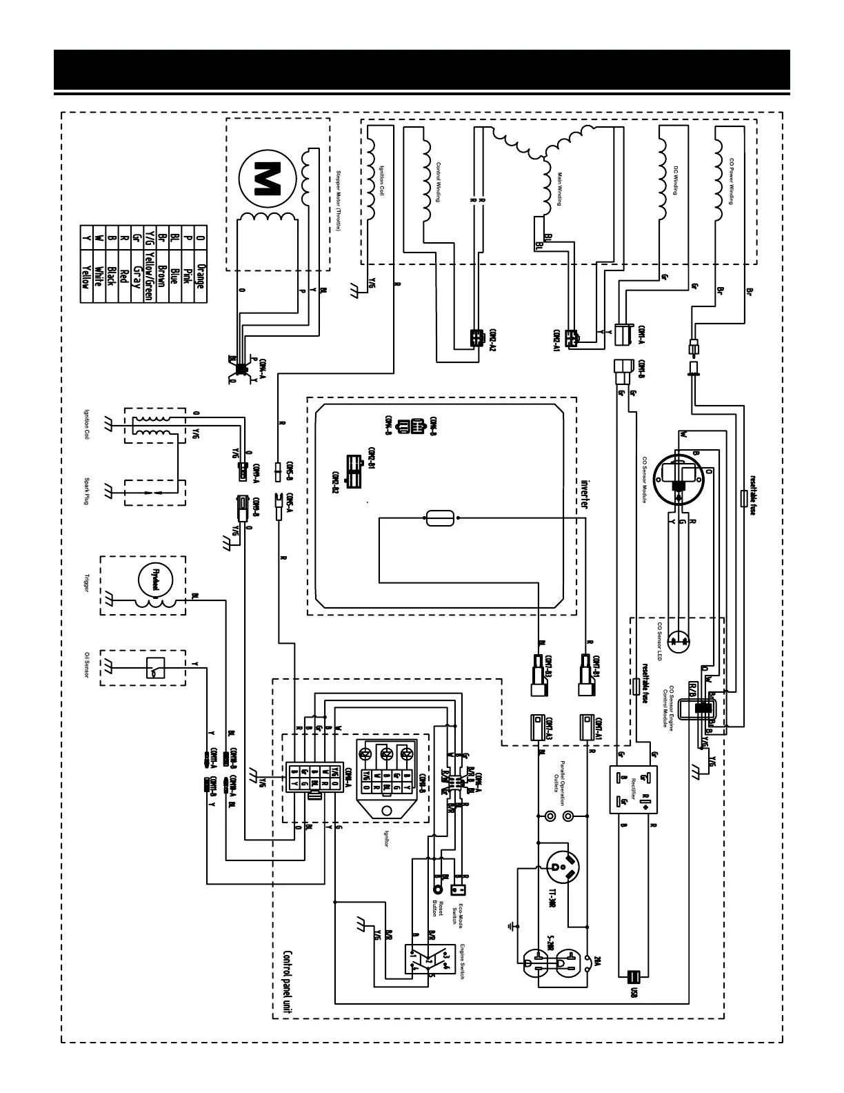
WIRING DIAGRAM
34

Related product manuals