EasyManua.ls Logo

Westerbeke 30 - Page 76

Westerbeke 30
156 pages
Print Icon
To Next Page IconTo Next Page
To Next Page IconTo Next Page
To Previous Page IconTo Previous Page
To Previous Page IconTo Previous Page
Loading...
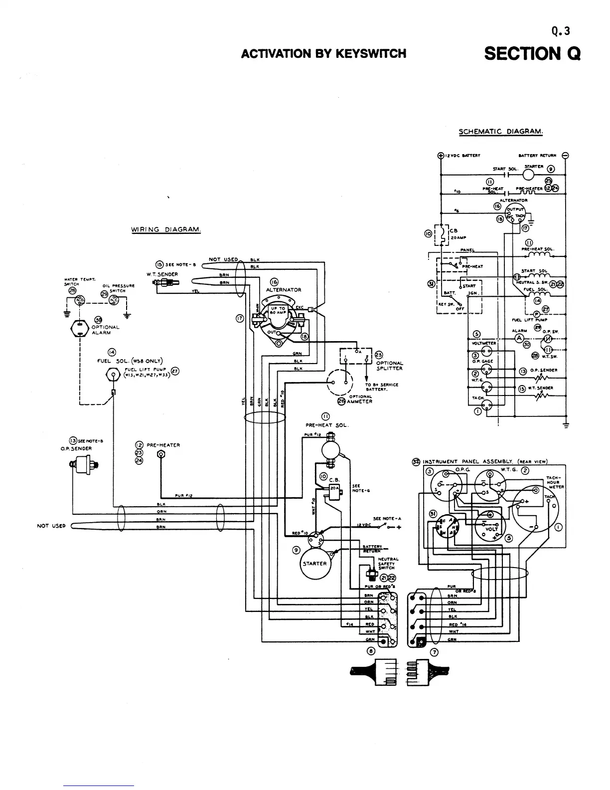
WIRING
DIAGRAM.
wA1'e;R
TEMPT.
~rTCH
01
L
~ESSU"e
@
@SWITCIt
~ ~
i
'¥----I:;j;f
il
.,L'
'li
I @ ....
~OPTIONAL
-
\..zJ
ALARM
@
®"U
NOTE-
8
W.T.SENDER
f'UEL
SOL.
(w~a
ONLY)
L.-
__
@saNOu-a
O.P.SENOER
NOT
USED
~~;~W~::;Z~~~:l)@
i PRE-HEATER
BLO
ON
ON
NOT
USED
ON
ON
ACTIVATION
BY
KEYSWITCH
BL"
B 0
@
ALTERNATOR
@
PRE-HEAT
SOL.
!tEE
NOTE-A
~~l-l-IoII.IIIlIi....,r_+
Q.3
SECTION Q
SCHEMATIC
DIAGRAM.
IZYDC
BofCI'TlEtlf
"
0
~T.MTP
®
••
TEO~
=

Related product manuals