EasyManua.ls Logo

Westerbeke 30 - Page 80

Westerbeke 30
156 pages
Print Icon
To Next Page IconTo Next Page
To Next Page IconTo Next Page
To Previous Page IconTo Previous Page
To Previous Page IconTo Previous Page
Loading...
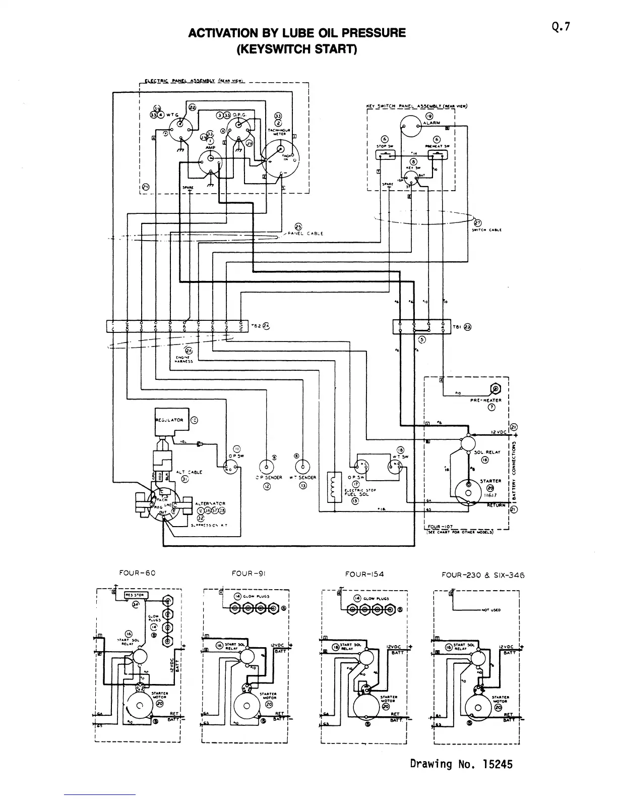
ACTIVATION
BY
LUBE
OIL
PRESSURE
(KEYSWITCH
START)
@
'------1---
___
~
.
--f,=I-'=-i=~=-====::_-=:t===~/~AI'EL
C
.....
B~E
--r-
-
..
--
.-
-r====~=~--'''''-------------,
--
--
,
--
FOUR-50
1
~
::1
~
:'1
I
1
1
1
1
::
P
SENDER
@
FOUR
-91
r--.-----------~
e
~~Ow
"r..v"~
I
I
1
®:
1 1
1 I
I 1
1 1
1
I
1
L
______________
J
'.
'.
I
®
FOUR-154
I
1 I
1..
______
-.
______
..1
'"
FOUR-230
&
SIX-346
1---1----------1
I ...0"
u)(O
I
1 1
1 1
I I
I I
1
1+
1
1 I
1 I
~--------------~
Drawing
No.
15245
Q.7

Related product manuals