EasyManua.ls Logo

Westerbeke 50 - Page 101

Westerbeke 50
119 pages
Print Icon
To Next Page IconTo Next Page
To Next Page IconTo Next Page
To Previous Page IconTo Previous Page
To Previous Page IconTo Previous Page
Loading...
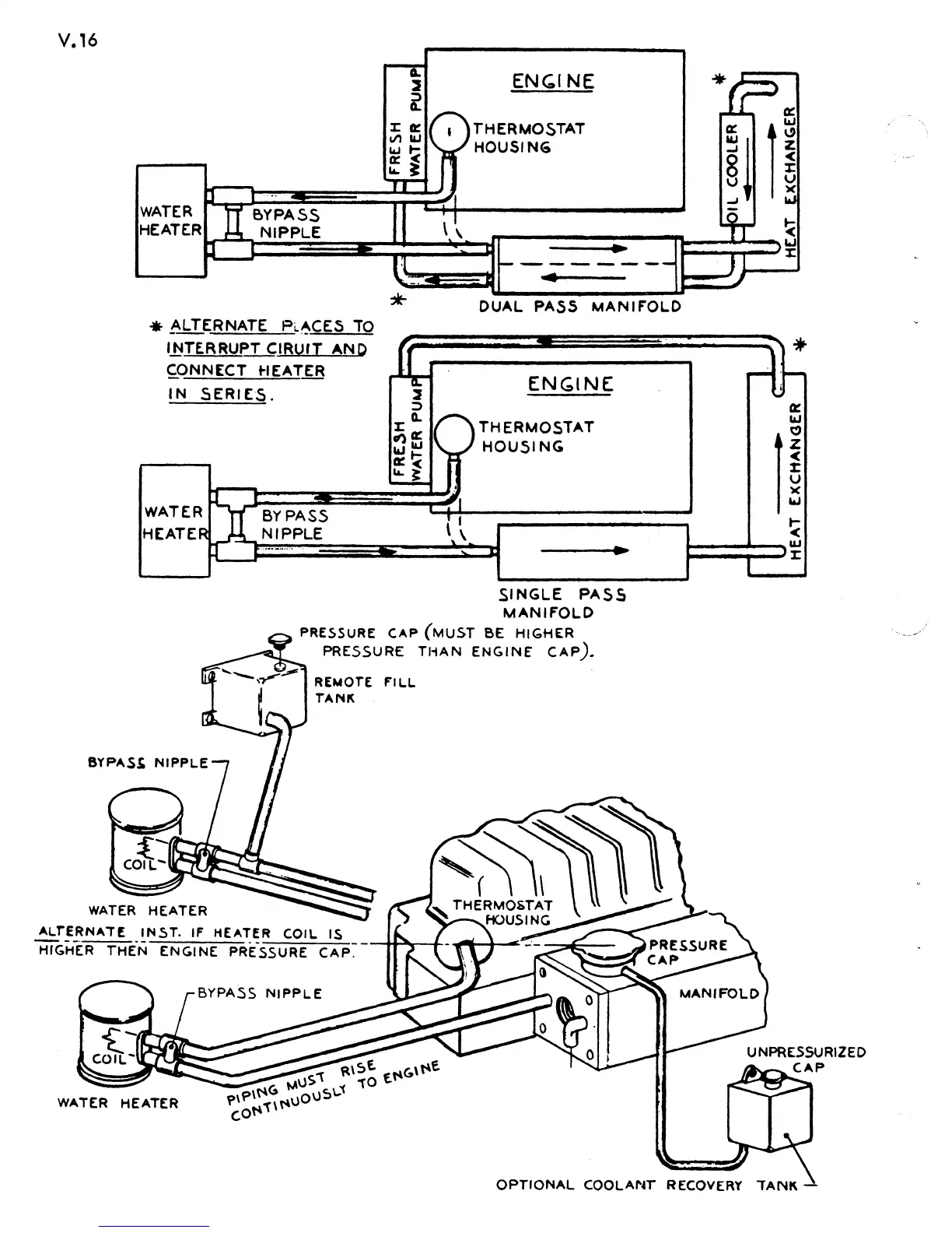
V.16
*
~LTERNATE
p'
A
INTERRUPT
~.-
CES
TO
~ONNECT~IRU'T
AND
I HEATER
N
SERIES.
-
BYPASS
NIPPLE
......
_
...
EN(;I
NE
THERMOSTAT
HOUSING
....
---
DUAL PASS
MANIF'OLD
ENGINE
THERMOSTAT
HOUSING
PR
SINGLE
PA
E~URE
CAP
(MUST
MANIFOLD
55
ESSURE
T/;AN
8E
HIGHER
REMOn
ENGINE'
CAP).
TANK
.
FILL
WATER
H
ALrERNATf
EATER
H
--
INST
IGHER
TH'-
. IF
HEATf
EN
ENGINE
PR- -R
COIL
IS
_~
ESSURE
CA
--
-----foi~-
I
P.
BYPASS
NIPPLE
OPTIONAL
COOLANT
UNPRESSURIZED
~~~
....
C_AP

Other manuals for Westerbeke 50

Related product manuals