EasyManua.ls Logo

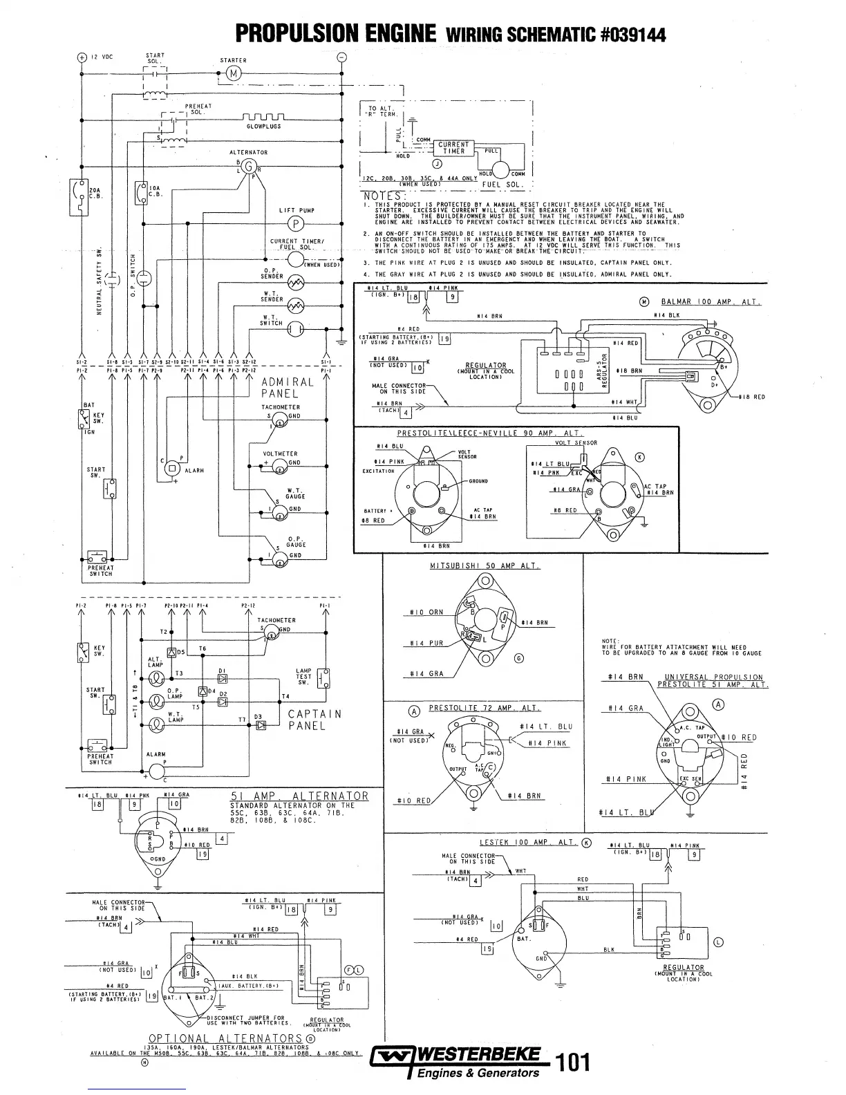
Westerbeke W-46 - Propulsion Engine Wiring Schematic; Propulsion Engine Wiring Schematic #039144

Westerbeke W-46
114 pages
Print Icon
To Next Page IconTo Next Page
To Next Page IconTo Next Page
To Previous Page IconTo Previous Page
To Previous Page IconTo Previous Page
Loading...
PROPULSION
ENGINE
WIRING
SCHEMATIC
#039144
+
f2
voc
STARTER
START
SOL,
r--~
._----i--tt-+1---•,
-<M
1---------+
I
'---··-··-··-··
Al
T£R/tATOR
.,__.-++-+--------7<~
G
lo.------+
BAT
KEY
sw.
IGN
STA-RT
sw.
Pl-l
p
LIFT
PUMP
._--t----;-----+--\Pr----,.
Pl-8
PI·S
Pl·l
CUJI:RENT
TIMER/
..
J.l!J.l
..
S.OL._
_ .
.-+-if-+-----•-·-··uHEN'UsE·o)
o.P.
SENDER
ADMIRAL
PANEL
TACHOMETER
s
GNO
GNO
PH
I
THIS
PRODUCT
IS
PROT
STAlllER. EXCEsSIVE
SHUT
DOWN.
THE
BUlL
ENGINE
ARE
INSTALLED
SOL.
T CIRCUIT
fJREAKER
LOCATED
HEAR
T.HE
BREAKER
TO
TRIP
AND
THE
E.HGINE
WILL
THAT
HIE
INSTRUMENT
PANEL,
WIAING,
AND
TWEEN
ELECTRICAl
DEY
ICES
AND
SEAWATER.
BETWEEN
THE
BATTERY
AND
STARTER
TO
Y
AND
WHEN
lEAVING
THE
BOAT.
A
SWITCH
AT
12
VDC
WILL
SERVE
THIS
fUNCTION.
THIS
·-aREAK-
THE-·c·r
RcU·t
T7"··--
.•
~-
--
···
··-·
--~---·
··
3.
THE
PlNK
WIR£ AT
PLUG
2
IS
UNUSED
AMD
.SHOULD
BE
INSULATED, CAPTAlN PANEL ONLY.
4.
lHI
GRAY
WIRE
AT
PLUG
2 IS
UNUSED
AND
SHOULD
BE
tNSULAf£-D.
ADMIRAL
PANEL
ONLY.
14
A[O
<STARTlNG
BATTERY.
IB+I
lr
1,1$1NG
Z
BATT£RI£S)
I
NOT
USE{)
I I 0
11.4
BRN
NOTE:
118.
REP
KEY
sw.
WfRE
FOR
BATTERY
ATTATC:HMENT
WILL
NEED
{TACH
I~~
!14
§RA
OtoT
USEOJ
~X
I~
RED
T1
03
LA).tP
TEST
sw.
CAPTAIN
PANEL
51
AMP.
ALTERNATOR
STANDARD
ALTERNATOR
ON
THE
sse.
S3B.
s3c.
S4A.
7JB.
828,
1088,
&
108C.
ttl4
LT. BtU
#14
PINK
114
RED
4114
lU
#14
BLK
BATTERY
,18•1
B~~c~~~~Cl,diJ~~f~t~?~s.
cH~l
LOCATION
I
OPTIONAL
ALTERNATORS®
135A,
I60A,
190A,
lESTEK
/BAUU.R
Al
TERHATORS
AVAflAfiLE
ON
THE
MSOS
SSC
638
63C 64A
716
826
1088
.!
108C.
ONLY.
®
(
.~:
\~~~
,>,
MALE
CONNECTOR
ON
THIS
'SIDE
114
BRN
:31
114
GRA
I
NOT
USED
I K
l!EJ
t4
RED
414
LT.
BLU
<..,_
#
14
PINK
I 00
AMP
ALT.
@
'.YHT
REO
TO
BE
UPGRA0£0
TO
AN
B
GAUGE
FROM
I 0
GAUGE
1114
SRN
414
GRA
414
PINK
#14
LT.
5L
0
w
"'

Related product manuals