EasyManua.ls Logo

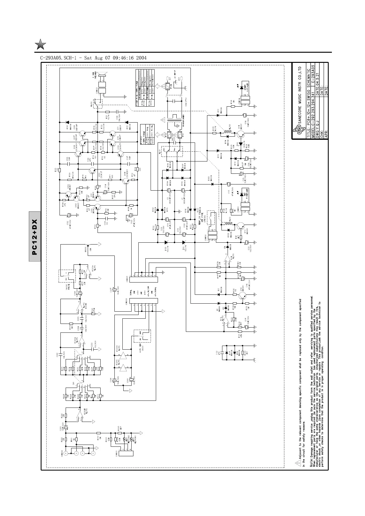
Wharfedale Pro PC12+DX - Schematic Diagram

Wharfedale Pro PC12+DX
8 pages
Print Icon
To Next Page IconTo Next Page
To Next Page IconTo Next Page
To Previous Page IconTo Previous Page
To Previous Page IconTo Previous Page
Loading...
SCHEMATICDIAGRAM
3

Related product manuals