EasyManua.ls Logo

Whirlpool ADN 657 - Appendix: Electrical Diagrams

Whirlpool ADN 657
12 pages
Print Icon
To Next Page IconTo Next Page
To Next Page IconTo Next Page
To Previous Page IconTo Previous Page
To Previous Page IconTo Previous Page
Loading...
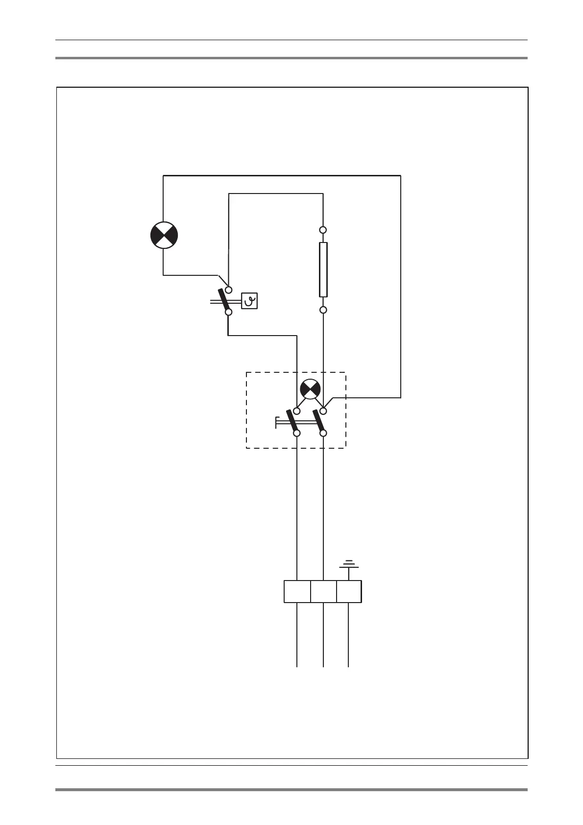
7 - APPENDIX: ELECTRICAL DIAGRAMS
H1
mA
L1 N PE
B1
123
F1
R1
0809_GB_42 - ELECTRIC BAIN-MARIE
11 · 12
04/2008
mA
B1
F1
H1
R1
Terminal board
Switch
Thermostat
Yellow indicator light
Heating element 1000 W
Total power: 1.0 kW
ADN 657
ADN 642

Related product manuals