EasyManua.ls Logo

Whirlpool ADP 7955 TOUCH - Upper Rack Loading; Adjusting Upper Rack Height; Removing Racks

Whirlpool ADP 7955 TOUCH
12 pages
Print Icon
To Next Page IconTo Next Page
To Next Page IconTo Next Page
To Previous Page IconTo Previous Page
To Previous Page IconTo Previous Page
Loading...
GB
-6-
How to load the racks
4
D
- CLOSED
D
- OPEN
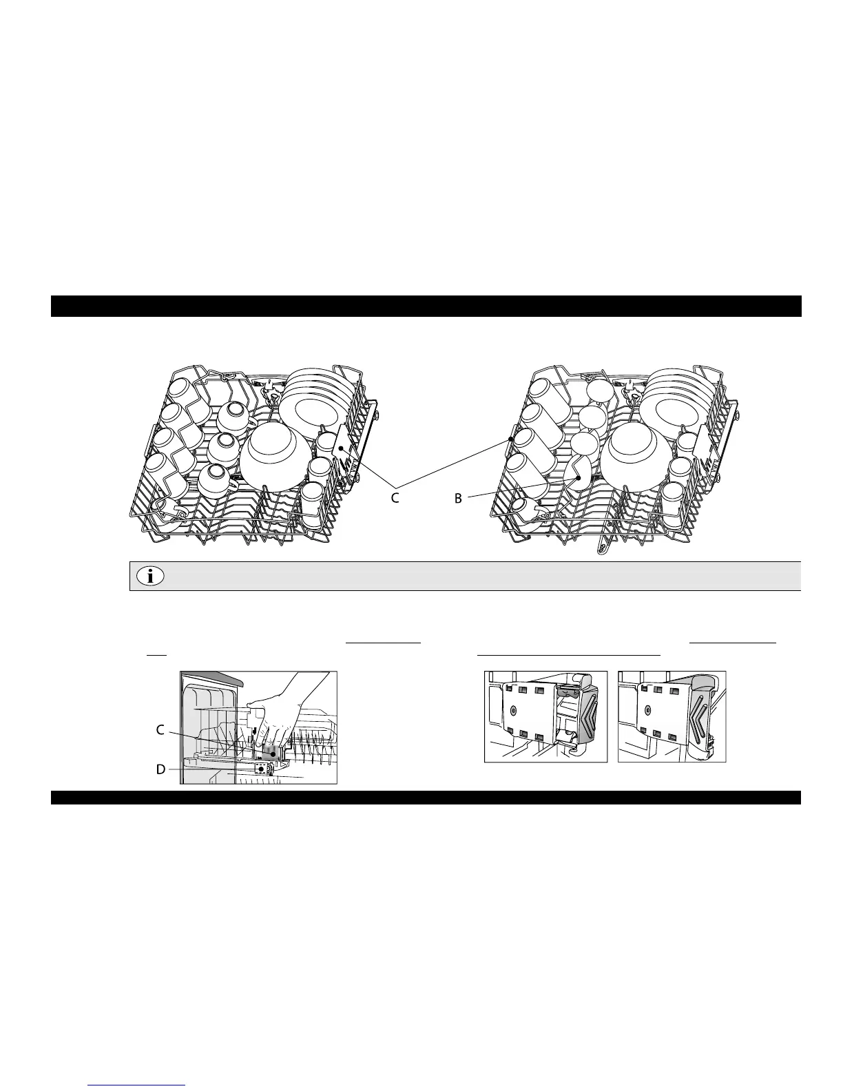
You can load dishes up to Ø 20 cm in the upper rack ONLY if the rack is in lower position (see below how to adjust the upper rack).
In the upper rack you can load glasses, cups, bowls and, in the right
side of the rack, you can load the dessert dishes.
Adjustable glass holder - B
(provided in some models)
helps to load stemmed glasses.
How to adjust upper rack height
(if available) - It could be useful
to lift up upper rack to have more space in lower rack or bring it
down to load long stem glasses.
- Grasp and take out the two lateral handles (
C
) must be on same
level and lift up or take down the upper rack.
How to remove cutlery rack and/or upper rack
(if available) - It could
be useful to remove cutlery rack to load stem glasses in upper rack and/or
remove upper rack to load bulky items in lower rack.
- Open the two retainers (
D
) to take off the rack. When the rack is in
place the retainers must always be closed.
Upper rack

Related product manuals