EasyManua.ls Logo

Whirlpool AGB 641/WP - Page 62

Whirlpool AGB 641/WP
Print Icon
To Next Page IconTo Next Page
To Next Page IconTo Next Page
To Previous Page IconTo Previous Page
To Previous Page IconTo Previous Page
Loading...
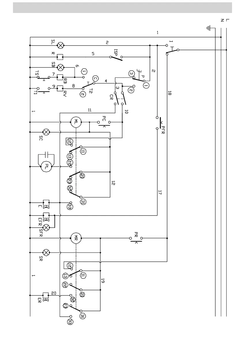
AGB643 - AGB644

Table of Contents

Related product manuals