EasyManua.ls Logo

Whirlpool AWE 4017 - Circuit Diagram

Whirlpool AWE 4017
20 pages
Print Icon
To Next Page IconTo Next Page
To Next Page IconTo Next Page
To Previous Page IconTo Previous Page
To Previous Page IconTo Previous Page
Loading...
SERVICE
01.06.2007 / Page 8 AWE 4017 Whirlpool Europe
Doc. No: 4812 722 28036 8593 401 42070 Customer Service
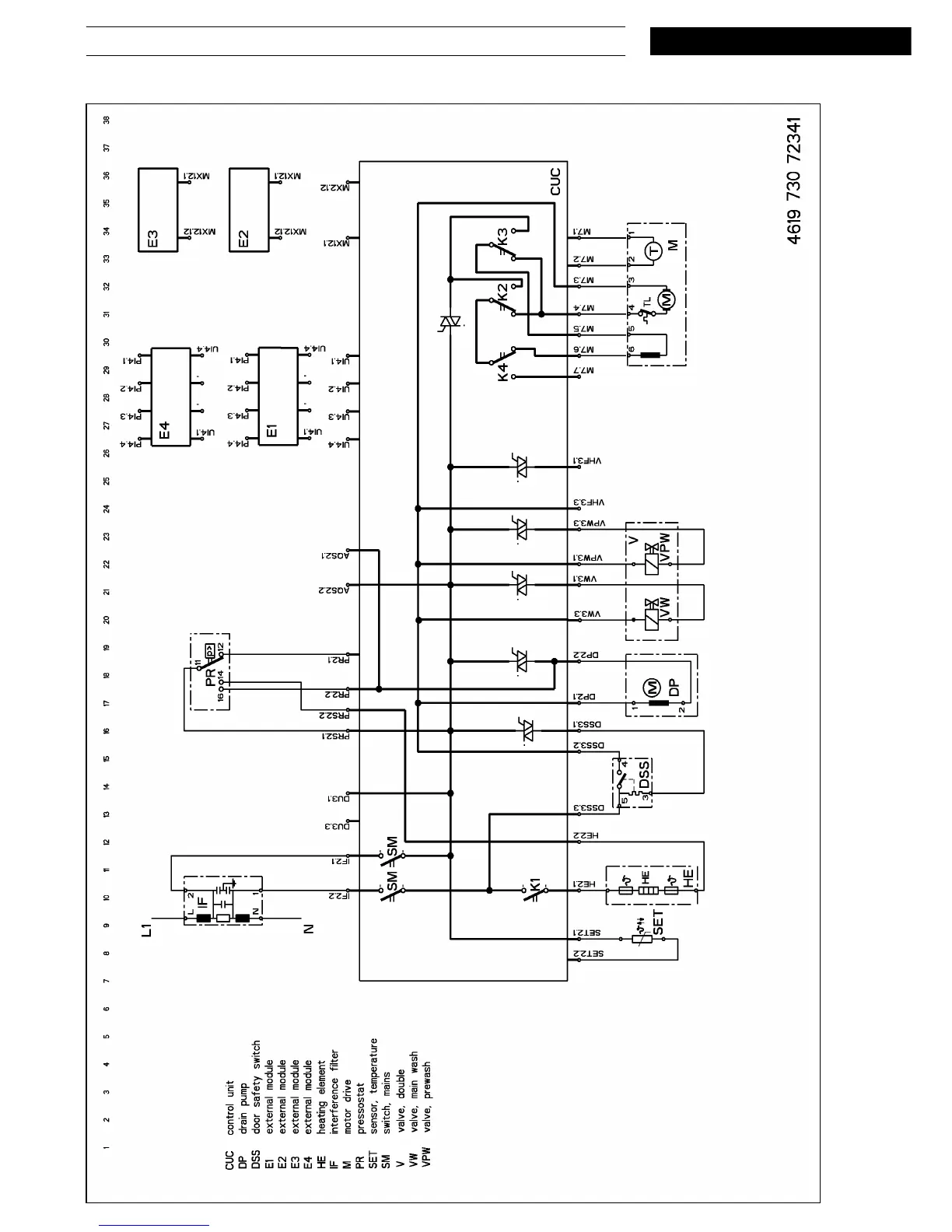
Circuit diagram

Related product manuals