EasyManua.ls Logo

Whirlpool FL243 - Page 9

Whirlpool FL243
11 pages
Print Icon
To Next Page IconTo Next Page
To Next Page IconTo Next Page
To Previous Page IconTo Previous Page
To Previous Page IconTo Previous Page
Loading...
SERVICE
Whirlpool Europe FL243 22.11.1999 / Page 9
Customer Service 8570 759 10200 Doc. No: 4812 712 14893
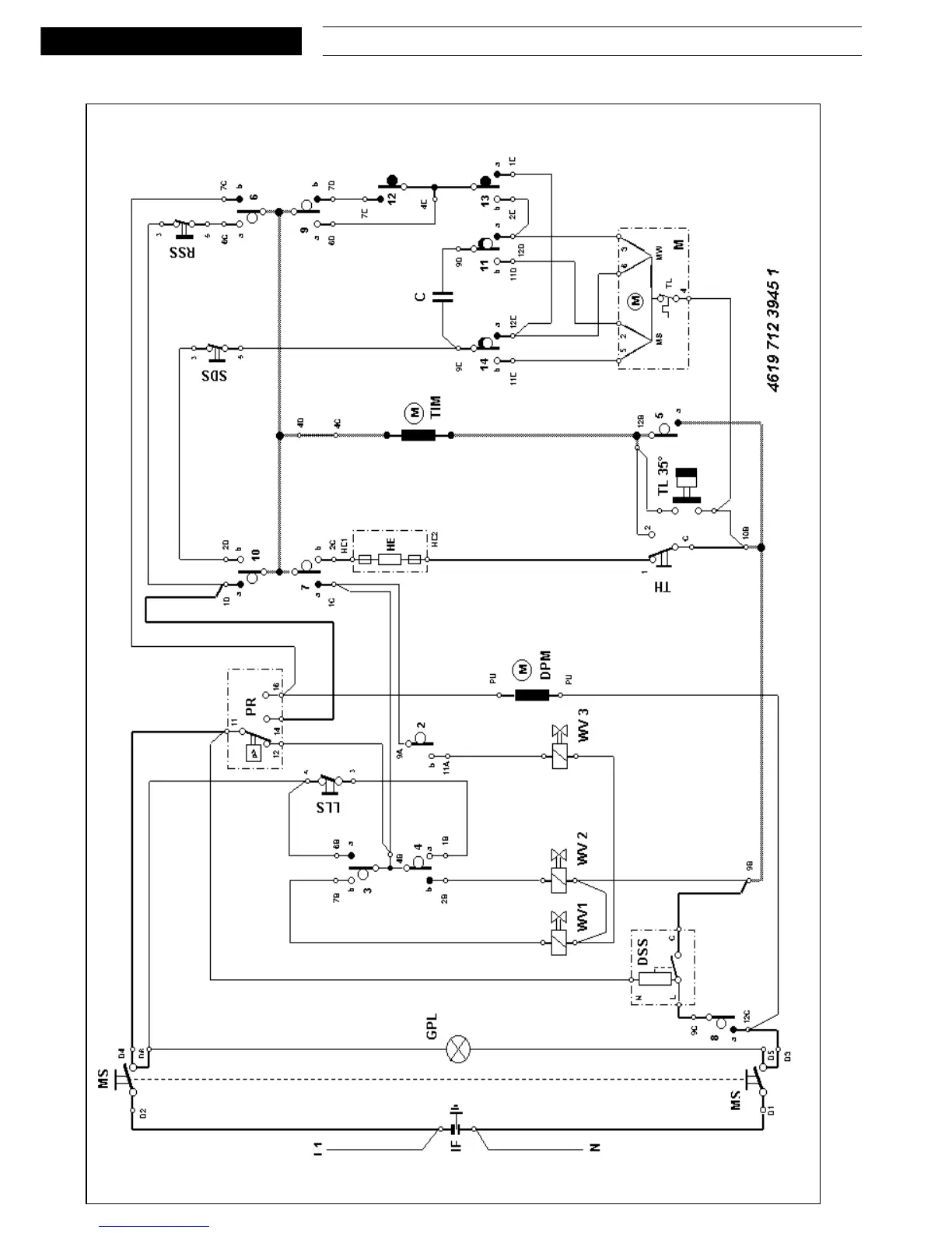
Circuit diagram

Related product manuals