EasyManua.ls Logo

Whirlpool FL243 - Circuit Diagram

Whirlpool FL243
11 pages
Print Icon
To Next Page IconTo Next Page
To Next Page IconTo Next Page
To Previous Page IconTo Previous Page
To Previous Page IconTo Previous Page
Loading...
SERVICE
22.11.1999 / Page 8 FL243 Whirlpool Europe
Doc. No: 4812 712 14893 8570 759 10200 Customer Service
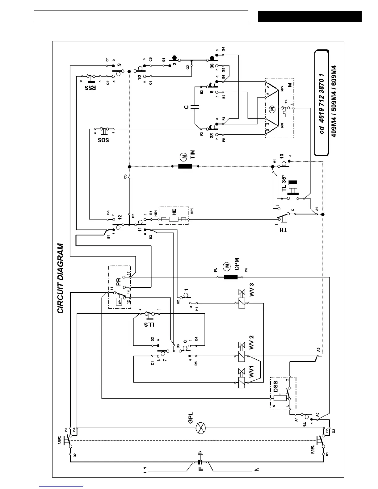
Circuit diagram

Related product manuals