EasyManua.ls Logo

Wilfa COOL 9 CONNECTED - Page 144

Wilfa COOL 9 CONNECTED
356 pages
Print Icon
To Next Page IconTo Next Page
To Next Page IconTo Next Page
To Previous Page IconTo Previous Page
To Previous Page IconTo Previous Page
Loading...
142
FI
YTTÖOHJE · ILMASTOINTILAITE
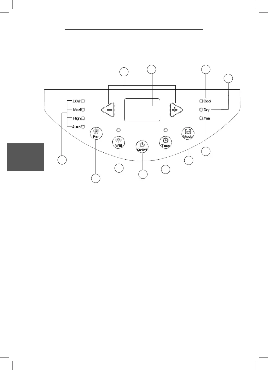
TUOTTEEN KUVAUS – OHJAUSPANEELI
1. Virtapainike
2. Plus-/miinuspainike
3. Mode-tilapainike
4. Fan-puhallinpainike
5. Timer-ajastinpainike
6. Wi-Fi-painike
7. Kylmäkatodinäyttö
8. Jäähdytys-tilan merkkivalo
9. Kuivaus-tilan merkkivalo
10. Puhallin-tilan merkkivalo
11. Puhaltimen nopeuden merkkivalo
YTTÖ
Kun ilmastointilaite kytketään virtalähteeseen, kuuluu merkkiääni. Tämän
jälkeen ilmastointilaitetta voidaan käyttää ohjauspaneelin avulla.
Kun laite on ON-tilassa, ohjauspaneelin painikkeiden painamisesta kuuluu
merkkiääni. Samalla toimintoa vastaava merkkivalo syttyy ohjauspaneelissa.
1
2
3
4
6
7 8
9
5
10
11

Table of Contents

Related product manuals