EasyManua.ls Logo

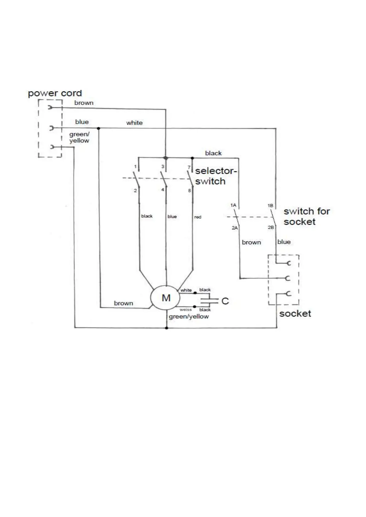
WILMS DFL 3000 - Wiring Diagram DFL 3000

WILMS DFL 3000
11 pages
Print Icon
To Previous Page IconTo Previous Page
To Previous Page IconTo Previous Page
Loading...
10 of 10
Wiring Diagram DFL 3000