EasyManua.ls Logo

Wilo ER 1 - Page 3

Wilo ER 1
Print Icon
To Next Page IconTo Next Page
To Next Page IconTo Next Page
To Previous Page IconTo Previous Page
To Previous Page IconTo Previous Page
Loading...
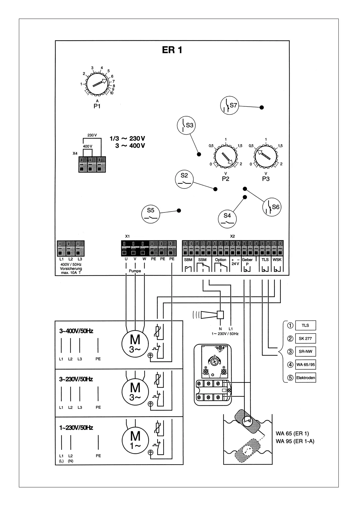
Fig. 2

Related product manuals