EasyManua.ls Logo

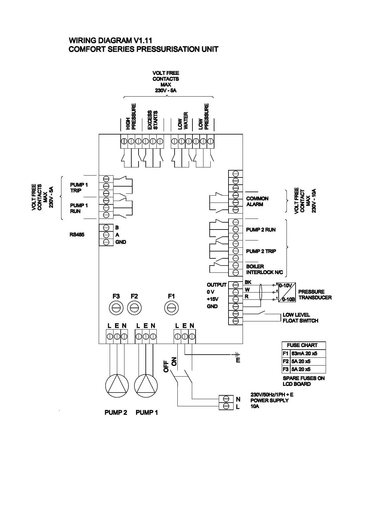
Wilo P260 - Wiring Diagram

Wilo P260
11 pages
Print Icon
To Previous Page IconTo Previous Page
To Previous Page IconTo Previous Page
Loading...

Related product manuals