EasyManua.ls Logo

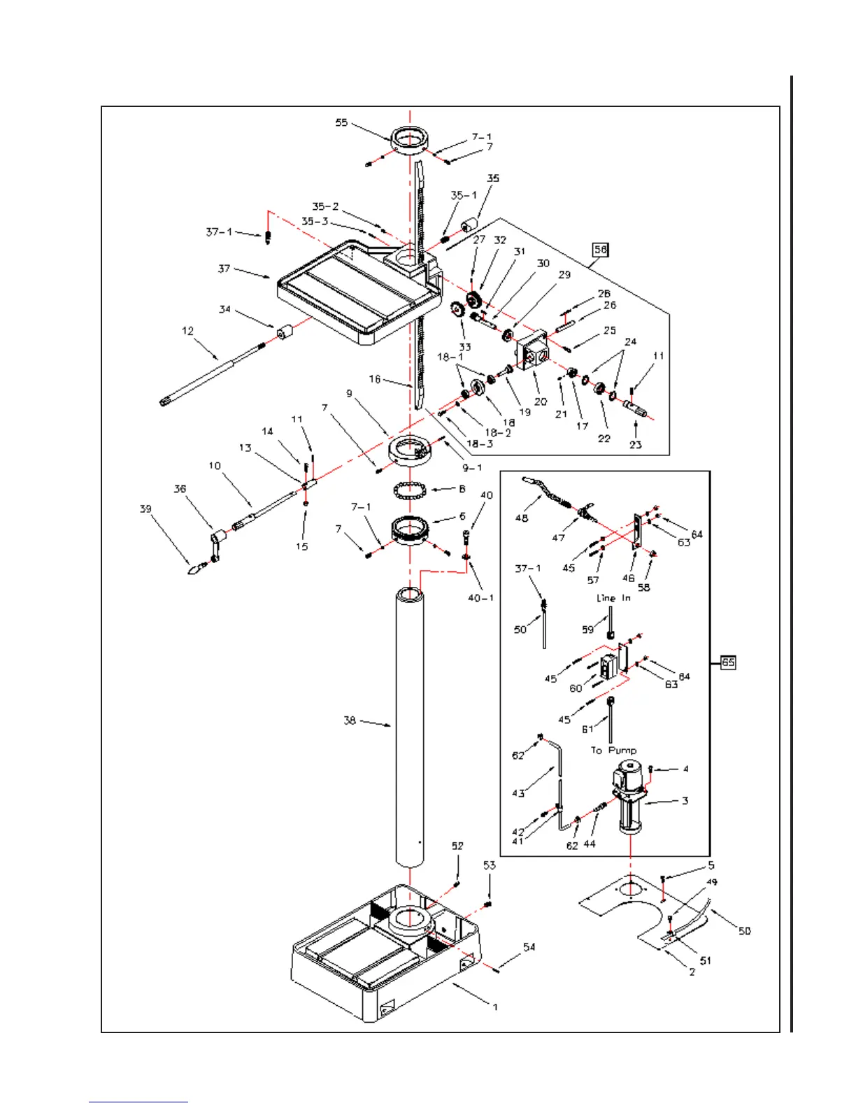
Wilton 2221VS - Exploded View - Table and Base (All Models)

Wilton 2221VS
28 pages
Print Icon
To Next Page IconTo Next Page
To Next Page IconTo Next Page
To Previous Page IconTo Previous Page
To Previous Page IconTo Previous Page
Loading...
25
Exploded View - Table and Base (All Models)