EasyManua.ls Logo

Wolf ICBDF304 - Page 14

Wolf ICBDF304
20 pages
Print Icon
To Next Page IconTo Next Page
To Next Page IconTo Next Page
To Previous Page IconTo Previous Page
To Previous Page IconTo Previous Page
Loading...
14
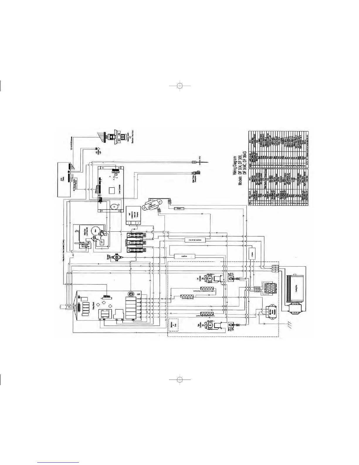
W i r i n g d i a g r a m

Other manuals for Wolf ICBDF304

Related product manuals