EasyManua.ls Logo

wsm L3830 - Page 74

wsm L3830
619 pages
Print Icon
To Next Page IconTo Next Page
To Next Page IconTo Next Page
To Previous Page IconTo Previous Page
To Previous Page IconTo Previous Page
Loading...
G-54
L3130 · L3430 · L3830 · L4630 · L5030, WSM
G GENERAL
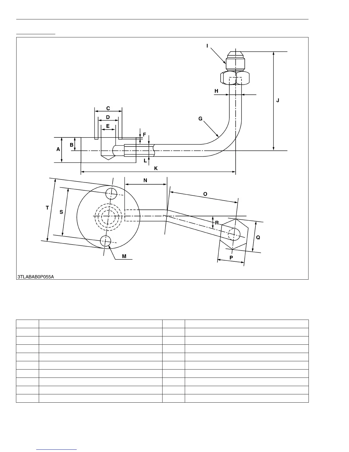
Pump Adaptor
Application: Use for checking the main hydraulic pump.
NOTE
When using, attach with following parts.
O-ring : 04811-00180
This adaptor is modified from Adaptor 61 of flowmeter adaptor set (see page G-48).
(Reference)
From size A to size R are same size as adaptor 61.
A 22 mm (0.872 in.) K 135 mm (5.31 in.)
B 11 mm (0.437 in.) L 7 mm dia. (0.28 in. dia.)
C 24 mm dia. (0.94 in. dia.) M 8.5 mm dia. (0.33 in. dia.)
D 18 mm dia. (0.71 in. dia.) N 37 mm (1.46 in.)
E 12 mm dia. (0.47 in. dia.) O 61.5 mm (2.42 in.)
F 1.7 to 1.9 mm (0.067 to 0.075 in.) P 24 mm (0.94 in.)
G 30 mm Round (1.18 in. Round) Q 27.7 mm (1.09 in.)
H 10 mm dia. (0.39 in. dia.) R 0.244 rad (14 °)
I G 3/8 S 40 mm (1.57 in.)
J 89 mm (3.50 in.) T 60 mm dia. (2.36 in. dia.)
KiSC issued 02, 2007 A

Table of Contents