EasyManua.ls Logo

wsm L3901 - 5 Fuel System; Overview of Common Rail System

wsm L3901
662 pages
Print Icon
To Next Page IconTo Next Page
To Next Page IconTo Next Page
To Previous Page IconTo Previous Page
To Previous Page IconTo Previous Page
Loading...
ENGINE
L3301, L3901, L4701, WSM
1-M6
5. FUEL SYSTEM
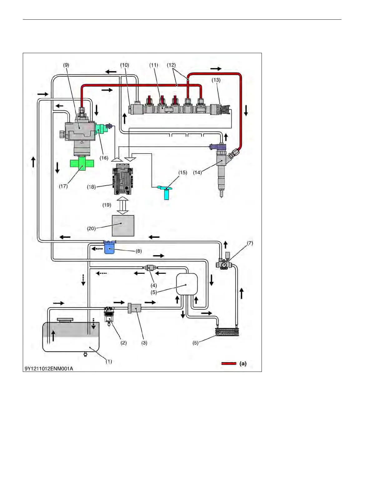
[1] OVERVIEW OF COMMON RAIL SYSTEM
The common rail system is an electronically controlled fuel injection device, with a supply pump (9) that
pressurizes the fuel, a rail (11) that stores the high-pressure fuel, injectors (14) that inject the fuel under high-pressure
based on solenoid operation into each cylinder and an engine ECU that controls all of these components.
The injection amount and injection timing of the injectors (14) and pressure of fuel stored in the rail are controlled
by the engine ECU (18) based on signals from each sensors (15) and instructions sent by CAN communication (19)
from the main ECU (20) on the tractor.
Therefore, fuel is injected under optimal conditions at all times. This enables to suppress generation of black
smoke on start up and under acceleration and to achieve reduction of exhaust gas and higher output power.
9Y1211012ENM0007US0
(1) Fuel Tank
(2) Water Separator
(3) Electromagnetic Pump
(4) Check Valve
(5) Fuel Sub Tank
(6) Fuel Cooler
(7) Feed Pump
(8) Fuel Filter
(9) Supply Pump
(10) Pressure Limiter
(11) Rail
(12) Injection Pipe
(13) Rail Pressure Sensor
(14) Injector
(15) Sensors
(16) SCV (Suction Control Valve)
(17) Fuel Cam Shaft
(18) Engine ECU
(19) CAN Communication
(20) Main ECU
(a) High Pressure Circuit
KiSC issued 09, 2016 A

Table of Contents

Related product manuals