EasyManua.ls Logo

Xylem Rule-Mate 500 - Page 35

Xylem Rule-Mate 500
52 pages
Print Icon
To Next Page IconTo Next Page
To Next Page IconTo Next Page
To Previous Page IconTo Previous Page
To Previous Page IconTo Previous Page
Loading...
35
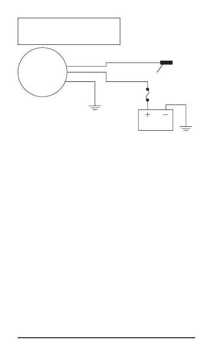
Permanente overschakeling
automatische bediening naar
niet handmatig
Voor 12 volt pomp: 10,5 volt minimaal vereiste spanning
Voor 24 volt pomp: 21 volt minimaal vereiste spanning.
Bruin met witte streep
Eindig met
waterbestendige
afdichting
Bruin
Zwart
Accu
POMP
Zekering
Leidingsysteem
Deze lenspomp is ontworpen voor gebruik met een flexibele slang. Stijve leidingen of
buizen kunnen de pomp en de afvoer van de pomp beschadigen.
Factoren die de doorstroming van de lenspomp verminderen kunnen onder andere zijn:
De lengte van de afvoerleidingen (lange trajecten verminderen de doorstroming)
Het aantal of de scherpte van de bochten
De ruwheid van de binnenoppervlakken van de leidingen en fittingen (een slang
met een gladde binnenzijde is het beste)
De doorstromingsverlaging (slangvertraging) in de diameter van onderdelen van
het afvoersysteem zoals regelkleppen en rompdoorvoeren
Bevestig de afvoerslang op de slangtule met roestvrijstalen slangklemmen.
Een afvoeraansluiting voor een rompdoorvoer moet zich minimaal 20,3 cm (8”)
boven de hellende waterlijn bevinden om te voorkomen dat er water van buiten naar
binnen wordt geheveld. De afvoer mag onder de maximaal hellende waterlijn worden
aangebracht als de afvoerleiding is voorzien van het volgende:
Een buitenboordklep geïnstalleerd conform de vereisten van ABYC H-27, Buiten-
boordkleppen, rompdoorvoeren en afvoerpluggen, en
Een ontluchte lus of een ander middel dat voorkomt dat er water de boot in
hevelt. Voor dit doel mag geen regelklep gebruikt worden.
Als de afvoeren van verschillende pompen met een verdeelstuk op één rompdoor-
voerfitting worden aangesloten, moet het systeem dusdanig worden ontworpen dat
de werking van de ene pomp geen terugstroming veroorzaakt in een andere pomp