EasyManua.ls Logo

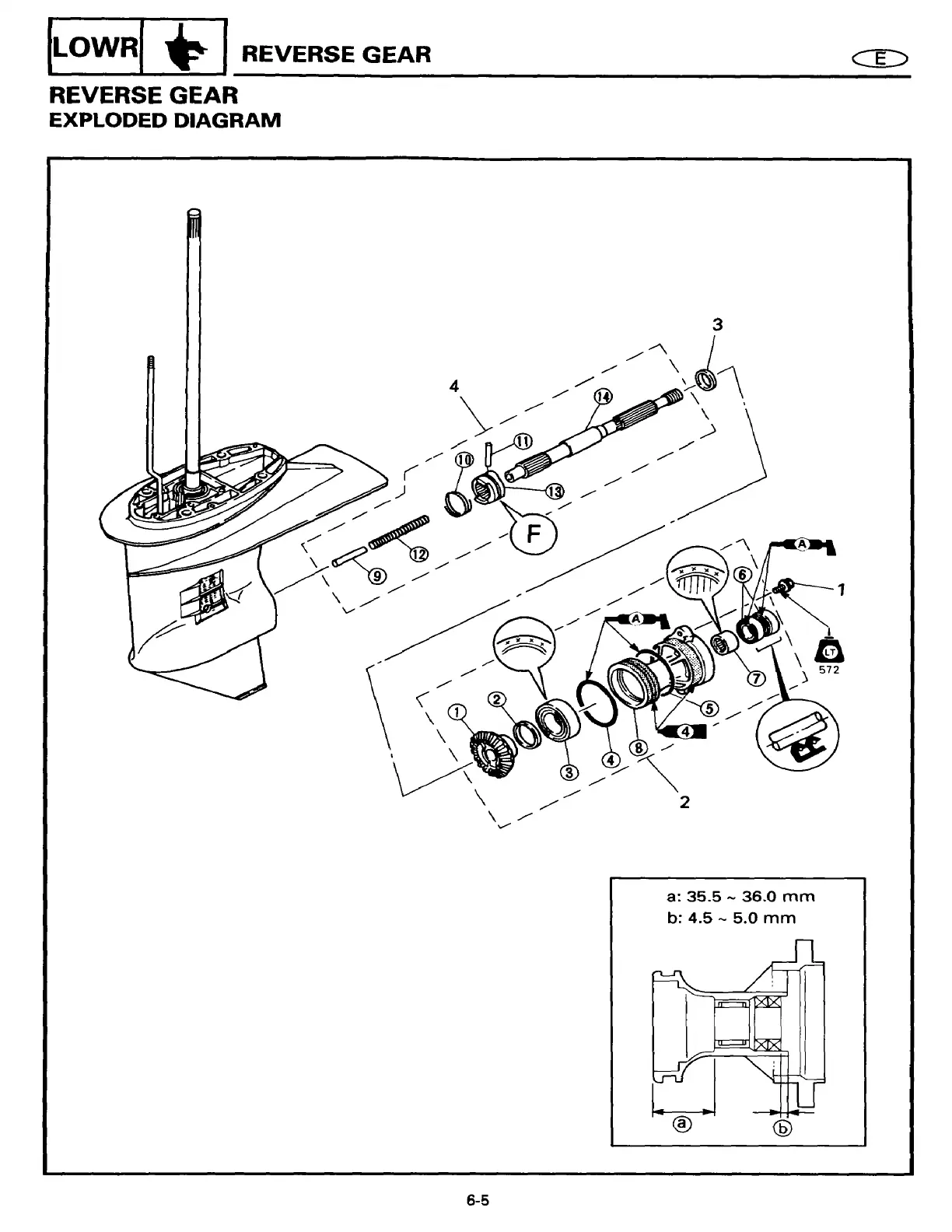
Yamaha 20ESHT2 - REVERSE GEAR; EXPLODED DIAGRAM

Yamaha 20ESHT2
426 pages
Print Icon
To Next Page IconTo Next Page
To Next Page IconTo Next Page
To Previous Page IconTo Previous Page
To Previous Page IconTo Previous Page
Loading...

Table of Contents

Related product manuals