EasyManua.ls Logo

Yamaha 60FETO - Page 101

Yamaha 60FETO
329 pages
Print Icon
To Next Page IconTo Next Page
To Next Page IconTo Next Page
To Previous Page IconTo Previous Page
To Previous Page IconTo Previous Page
Loading...
3-13
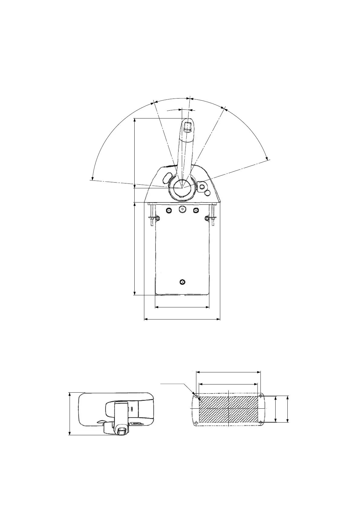
REMOTE CONTROL TYPES AND APPLICATIONS
6X6 BINNACLE MOUNT REMOTE CONTROL DIMENSIONS
The side view is the same among all remote control unit variation.
Single engine application
To be continued.
F
N
R
Throttle range
Throttle range
5 deg.
Shift
range
Shift
range
22.5
deg.
22.5
deg.
Max.
67 deg.
Max.
90 deg.
225 (8.86) 35 (1.38) 170 (6.69)
128 (5.04)
182 (7.17)
mm (in.)
106 (4.17)
Template (single lever)
132 (5.20)
145 (5.71)
59 (2.32)
62 (2.44)
5.5 (0.22)
Cut out shaded areaCut out shaded area

Table of Contents

Related product manuals