EasyManua.ls Logo

Yamaha 60FETO - Page 205

Yamaha 60FETO
329 pages
Print Icon
To Next Page IconTo Next Page
To Next Page IconTo Next Page
To Previous Page IconTo Previous Page
To Previous Page IconTo Previous Page
Loading...
5-41
Speed hose (* 1)
Fuel tank
OUT
IN
OUT
IN
(*1)
(*2)
6Y5-83553-N0 :
2.5 m (8 ft)
688-82520-00
6Y5-85721-F0
6Y5-85752-02
Speed hose (* 1)
688-8258A-50 : 5 m (16 ft)
-60 : 6 m (19 ft)
-70 : 7 m (23 ft)
6K1-8258A-40 : 8 m (26 ft)
61B-8258A-00 : 9.5 m (32 ft)
6Y5-83553-F1 :
8 m (26 ft)
6Y5-83553-20 :
2.5 m (8 ft)
6Y5-83653-00 : 5 m (16 ft)
-10 : 6 m (19 ft)
-20 : 7 m (23 ft)
-30 : 8 m (26 ft)
-40 : 9 m (29 ft)
-50 : 10.5 m (34 ft)
GPS
Remote
Oil Tank
FUEL
TACH
Engine
Oil Tank
NMEA
0183
SPEED
2-stroke oil injection
Engine Oil Tank
2-stroke oil injection
(* 1) Select either speedometer or GPS (NMEA0183)
If GPS is connected, speed hose is not required.
(* 2) Water separator (Market obtainable)
6R3-85721-30 : 3 m (10 ft)
-50 : 5 m (16 ft)
-80 : 8 m (26 ft)
6Y5-87122-S0
GPS
NMEA
0183
6Y5-85721-F0
TACH
6Y5-8350T-90
Remote
Oil Tank
SPEED/FUEL
(+)
(+)
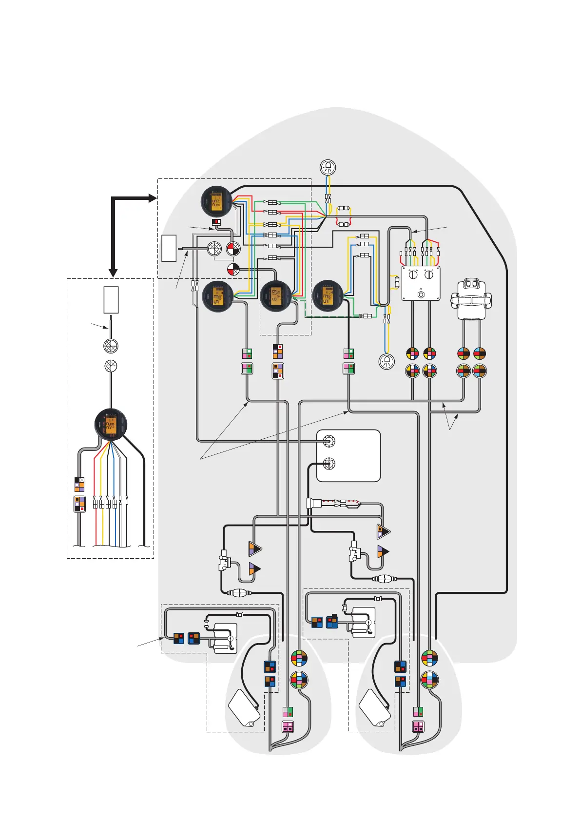
WIRING DIAGRAMS
DIGITAL METER (6Y5)
TWIN ENGINE W/ BINNACLE RC
Above 115 w/ oil injection
(except L/250G),
Above F115 (Mechanical RC)

Table of Contents

Related product manuals