EasyManua.ls Logo

Yamaha 85AET - Wiring Diagram (for Us)

Yamaha 85AET
329 pages
Print Icon
To Next Page IconTo Next Page
To Next Page IconTo Next Page
To Previous Page IconTo Previous Page
To Previous Page IconTo Previous Page
Loading...
4-11
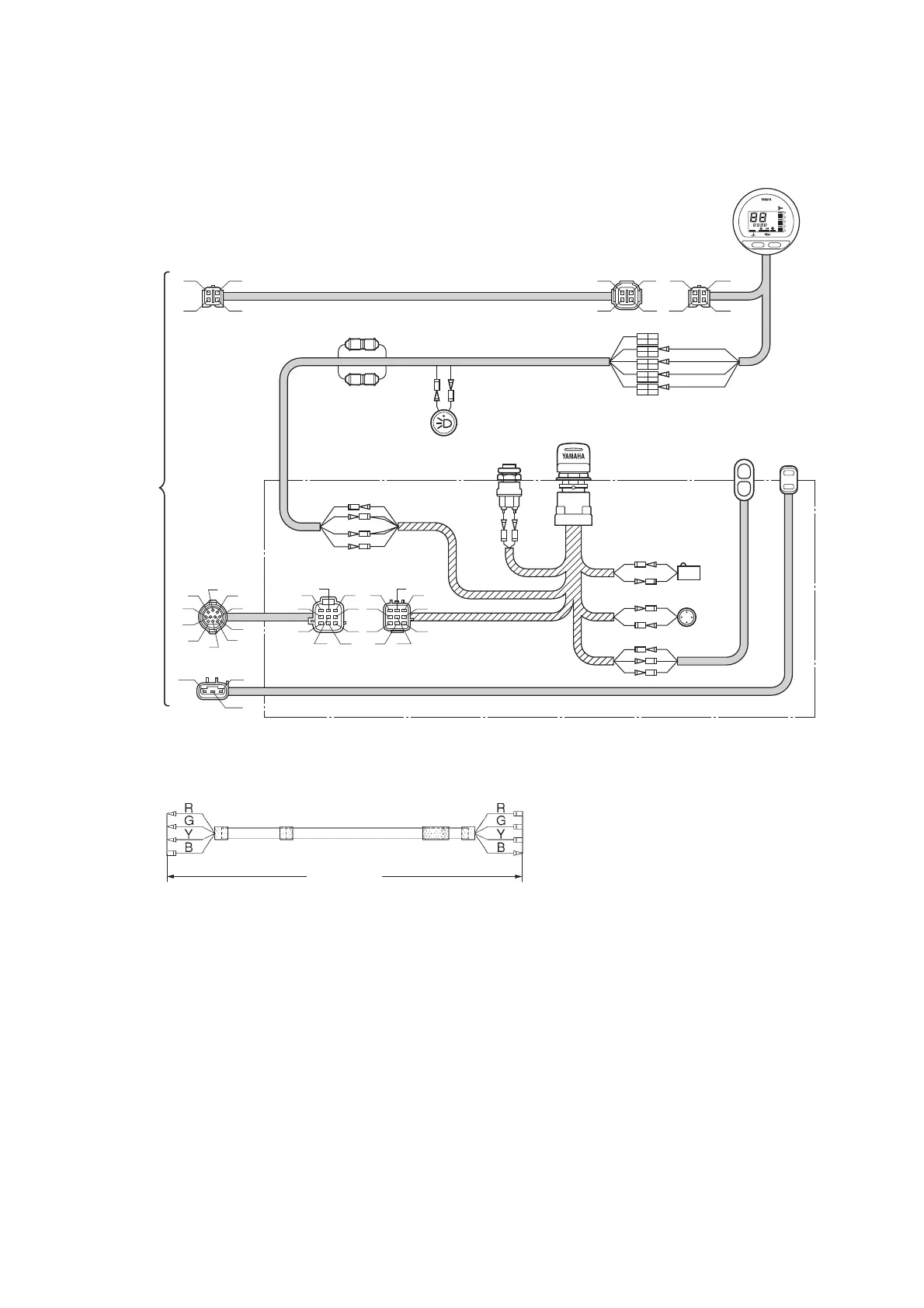
6X4 MULTI-FUNCTION TILLER HANDLE
WIRING DIAGRAM (FOR US)
1
2
3
4
5
TAC H
x
100
r/min
set mode
h
1.5 m (5 ft)
YL
YL
6Y5-83653-00 : 5 m (16 ft)
6Y5-83553-M0 : 2.5 m (8 ft)
Ignition
SW
Tachometer
6Y5-8350T-90
Neutral
SW
PTT
SW
Troll
RPM
SW
(*1)
Buzzer
Stop
SW
(*1) Depends on the engine specification.
(*2) 1.5 m (5 ft) extension wire-harness (6Y5-8356N-00) is available.
(*2)
R
Sb
Lg
P
Y
R
Sb
Lg
G
B
Y
L
R
Y
R
Y
B
R
Y
G
Br
Br
W B
B
R
R
Y
Y
G
R
G
B
Y
L
G
R
Lg
P
Br
B
Sb
W
Y
Gy
G
P
G/R
Gy
G/W
P
G/R
P
G/R
Gy
G
BW/L
O/W
To
ENGINE
X
Y
Br P
W
Lg
B
G
R
Sb
Y
BrP
W
Lg
B
G
R
Sb
Tiller handle assembly

Table of Contents

Other manuals for Yamaha 85AET

Related product manuals