EasyManua.ls Logo

Yamaha 85AET - Exploded Diagram (for Japan)

Yamaha 85AET
329 pages
Print Icon
To Next Page IconTo Next Page
To Next Page IconTo Next Page
To Previous Page IconTo Previous Page
To Previous Page IconTo Previous Page
Loading...
4-16
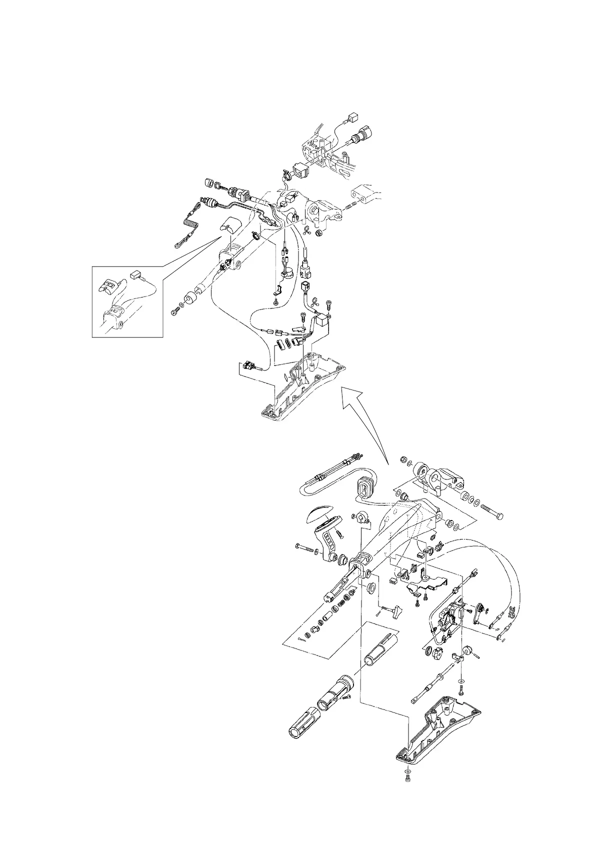
6X4 MULTI-FUNCTION TILLER HANDLE
EXPLODED DIAGRAM (FOR JAPAN)
EX: F50H/F60F/F70A

Table of Contents

Other manuals for Yamaha 85AET

Related product manuals