EasyManua.ls Logo

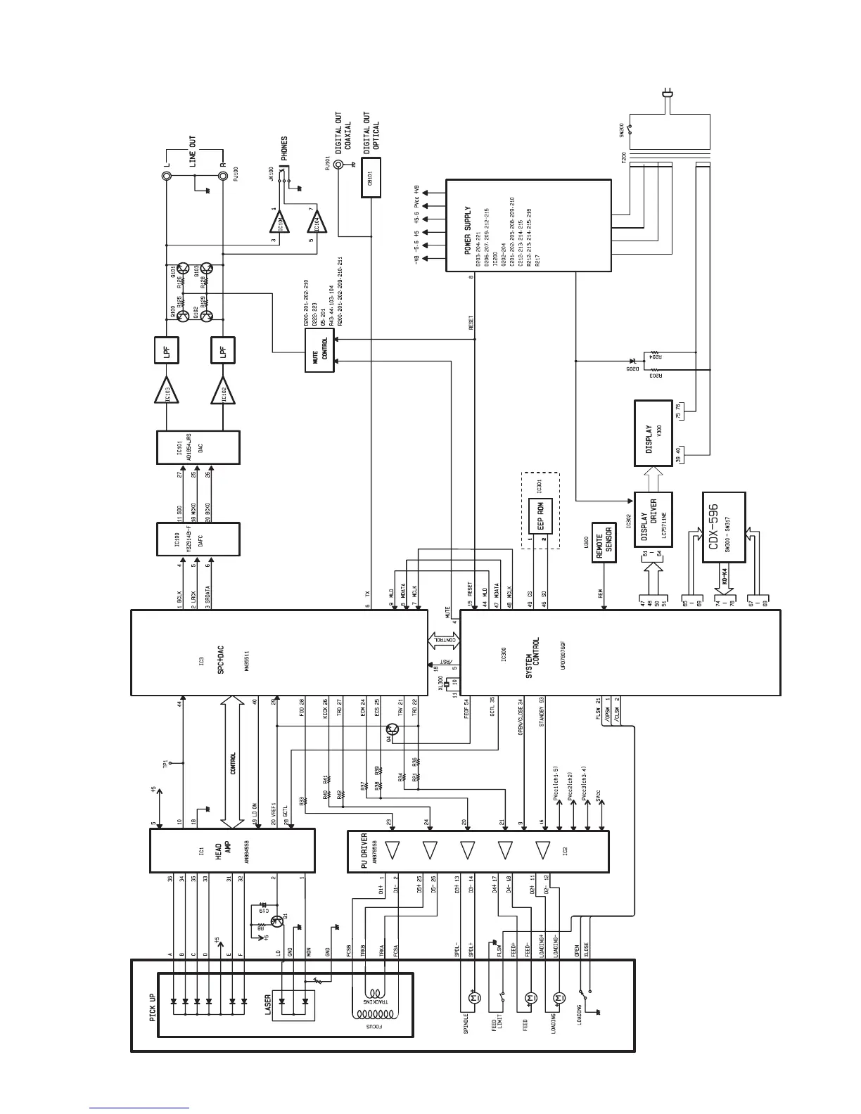
Yamaha CDX-596 - BLOCK DIAGRAM

Yamaha CDX-596
35 pages
Print Icon
To Next Page IconTo Next Page
To Next Page IconTo Next Page
To Previous Page IconTo Previous Page
To Previous Page IconTo Previous Page
Loading...
BLOCK DIAGRAM
17
CDX-596

Other manuals for Yamaha CDX-596

Related product manuals