EasyManua.ls Logo

Yamaha F20BE - Page 156

Yamaha F20BE
226 pages
Print Icon
To Next Page IconTo Next Page
To Next Page IconTo Next Page
To Previous Page IconTo Previous Page
To Previous Page IconTo Previous Page
Loading...
5-38
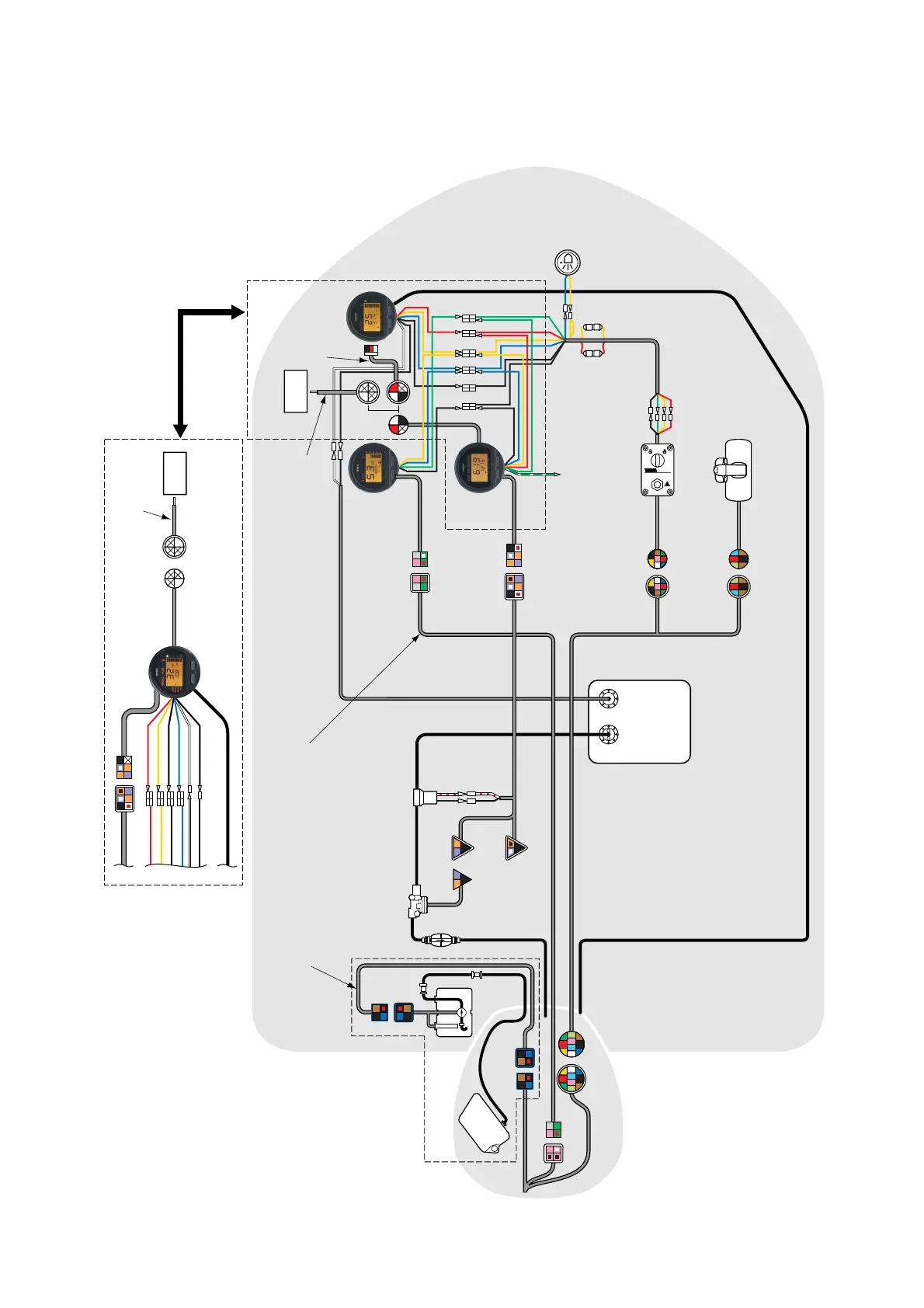
Fuel tank
OUT
IN
(*1)
(*2)
6Y5-83553-N0
(2.5 m)
688-82520-00
6Y5-85752-02
Speed hose (* 1)
688-8258A-50 (5 m)
-60 (6 m)
6K1-8258A-40 (8 m)
61B-8258A-00 (9.5 m)
6Y5-83553-F1
(8 m)
GPS
Remote
Oil Tank
TACH
FUEL
Engine
Oil Tank
NMEA
0183
SPEED
2-stroke oil injection
(* 1) Select either speedometer or GPS (NMEA0183)
If GPS is connected, speed tube is not required.
(* 2) Water separator (Market obtainable)
6R3-85721-30 (3 m)
-50 (5 m)
-80 (8 m)
6Y5-83653-00 (5 m)
-10 (6 m)
-20 (7 m)
-30 (8 m)
-40 (9 m)
-50 (10.5 m)
6Y5-85721-F0
6Y5-87112-S0
6Y5-8350T-90
Speed hose (* 1)
GPS
NMEA
0183
6Y5-85721-F0
SPEED/FUEL
(+)
(+)
WIRING DIAGRAMS
DIGITAL METER
SINGLE-MOTOR W/ BINNACLE RC
115-300 w/ oil injection (except 250G),
F115-F250

Table of Contents