EasyManua.ls Logo

Yamaha F20BE - Page 81

Yamaha F20BE
226 pages
Print Icon
To Next Page IconTo Next Page
To Next Page IconTo Next Page
To Previous Page IconTo Previous Page
To Previous Page IconTo Previous Page
Loading...
3-11
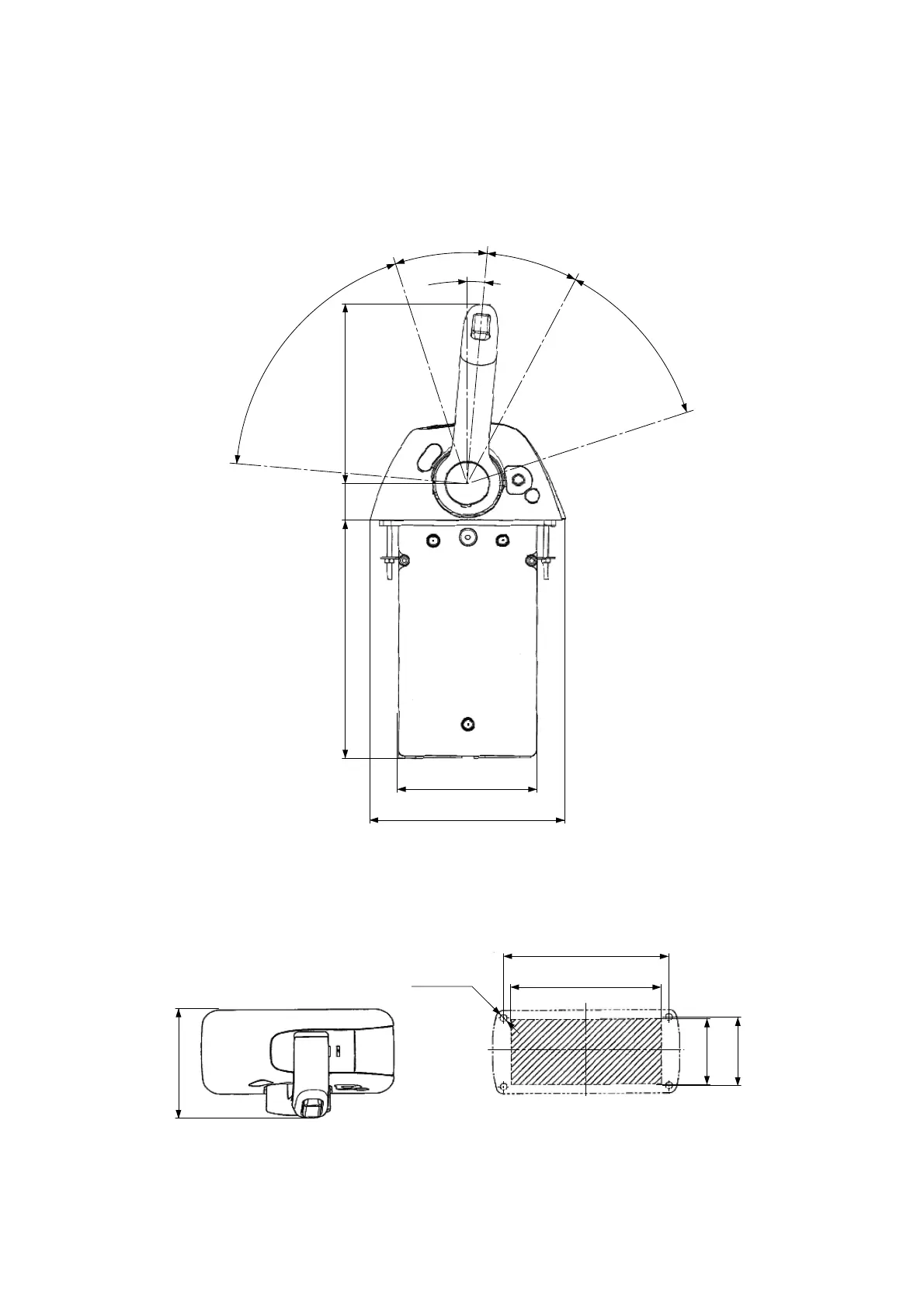
REMOTE CONTROL APPLICATIONS
6X6 REMOTE CONTROL DIMENSIONS
The side view is the same among all remote control unit variation.
Single engine
F
N
R
Throttle range
Throttle range
5 deg.
Shift
range
Shift
range
22.5
deg.
22.5
deg.
Max.
67 deg.
Max.
90 deg.
225 (8.86) 35 (1.38) 170 (6.69)
128 (5.04)
182 (7.17)
mm (in.)
106 (4.17)
Template (single lever)
132 (5.20)
145 (5.71)
59 (2.32)
62 (2.44)
5.5 (0.22)
Cut out shaded areaCut out shaded area
To be continued.

Table of Contents

Related product manuals