EasyManua.ls Logo

Yamaha F4B - Page 163

Yamaha F4B
202 pages
Print Icon
To Next Page IconTo Next Page
To Next Page IconTo Next Page
To Previous Page IconTo Previous Page
To Previous Page IconTo Previous Page
Loading...
9-2
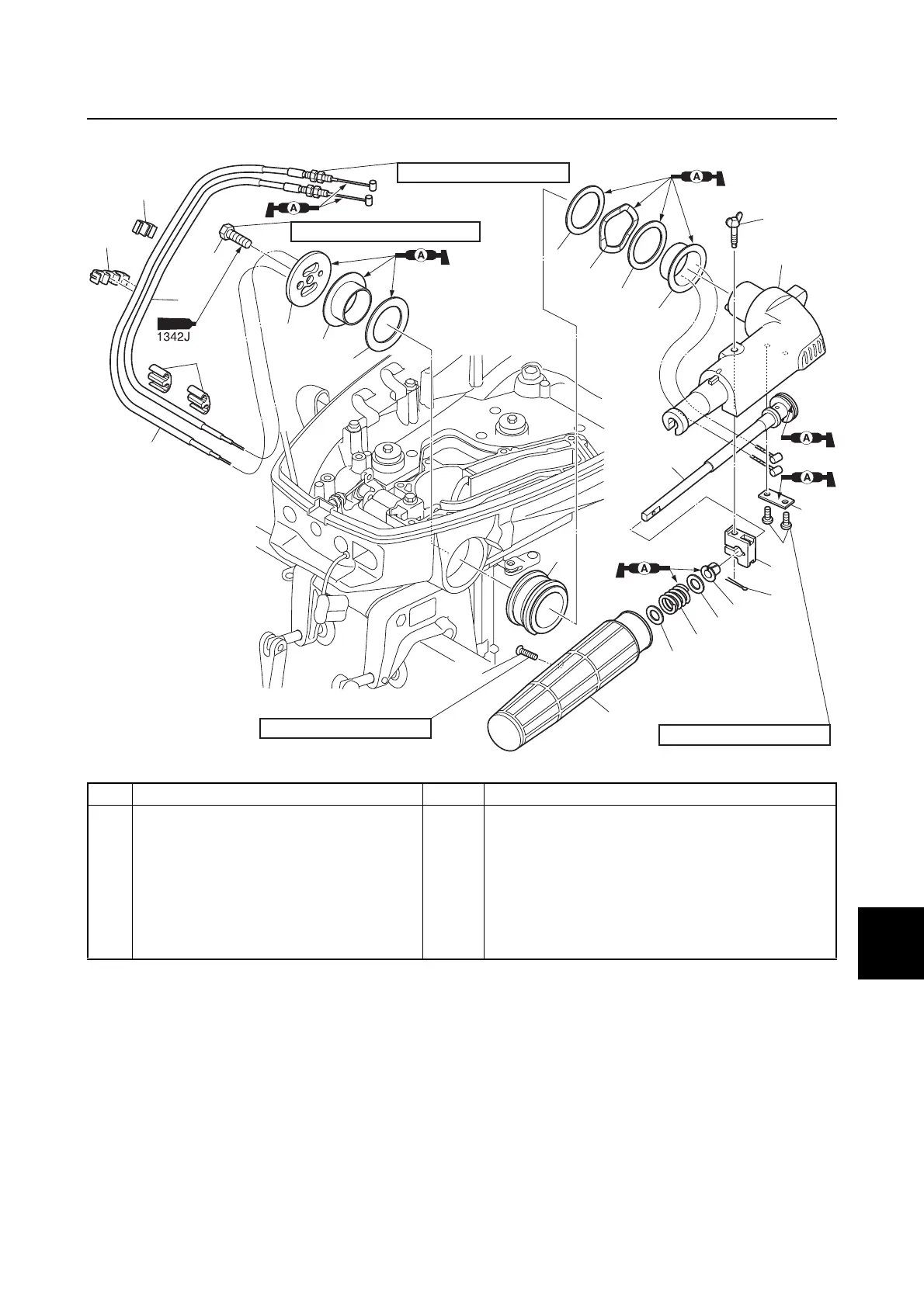
Tiller handle
0
1
2
3
4
5
6
7
8
9
10
A
No. Part name Q’ty Remarks
18 Cotter pin 1

19 Bushing 1
20 Washer 2
21 Spring 1
22 Throttle grip 1
23 Throttle grip screw 1 M5 20 mm
24 Bushing 1
2
1
5
3
6
7
8
4
3
24
20
21
20
19
18
23
22
17
14
16
15
13
12
10
9
9
11
28 N·m (2.8 kgf·m, 20.7 ft·lb)
4 N·m (0.4 kgf·m, 3.0 ft·lb)
4 N·m (0.4 kgf·m, 3.0 ft·lb)
4 N·m (0.4 kgf·m, 3.0 ft·lb)

Table of Contents