EasyManua.ls Logo

Yamaha FL250GET - Page 264

Yamaha FL250GET
329 pages
Print Icon
To Next Page IconTo Next Page
To Next Page IconTo Next Page
To Previous Page IconTo Previous Page
To Previous Page IconTo Previous Page
Loading...
7-31
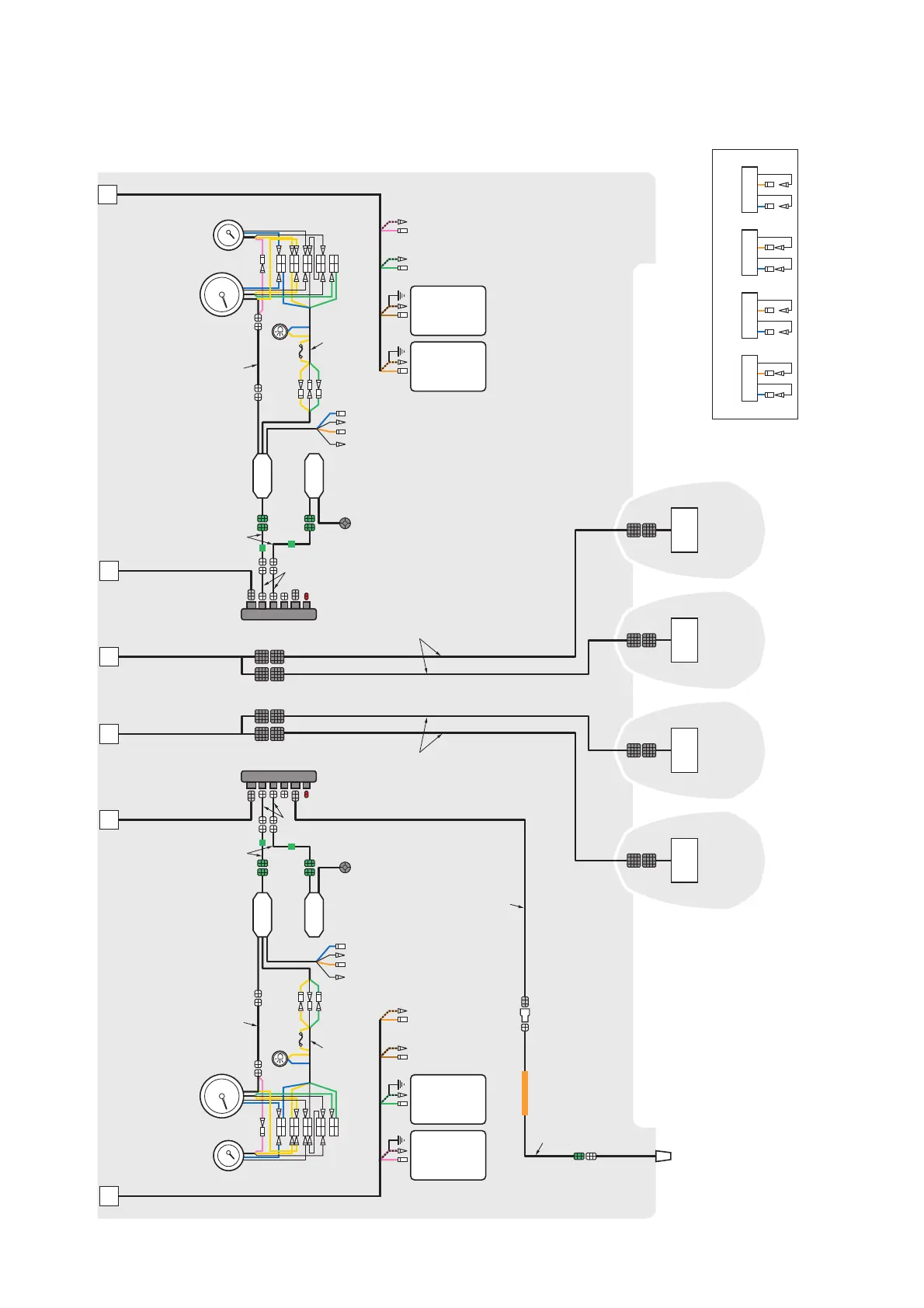
(*5) (*5)
ABCDE
F
(*3)
Fuel
tank 1
To NMEA2000
Network
19
Sewage
tank
To NMEA2000
Network
16 16
(*3)
ECM
PCPCSS
ECM ECM
ECM
5 5
Fresh-
water
tank
Fuel
tank 2
(*1) For previous digital electronic controlled engine
(*2) For previous network system (6Y8)
(*3) Engine selection for tachometer
(*4) Requires 2 pcs including its related parts
(*5) Connect the sensor ground leads to the ground
(negative circuit on the battery)
C-PORT
engine
C-STBD
engine
PORT
engine
STBD
engine
17
24
23
26
25
26
25
23
24
6
11
12
21
(*4)
20
21
(*4)
20
13
13

Table of Contents

Related product manuals