EasyManua.ls Logo

Yamaha NX-E700 - Block Diagrams

Yamaha NX-E700
71 pages
Print Icon
To Next Page IconTo Next Page
To Next Page IconTo Next Page
To Previous Page IconTo Previous Page
To Previous Page IconTo Previous Page
Loading...
ABCDEFGH I J
1
2
3
4
5
6
7
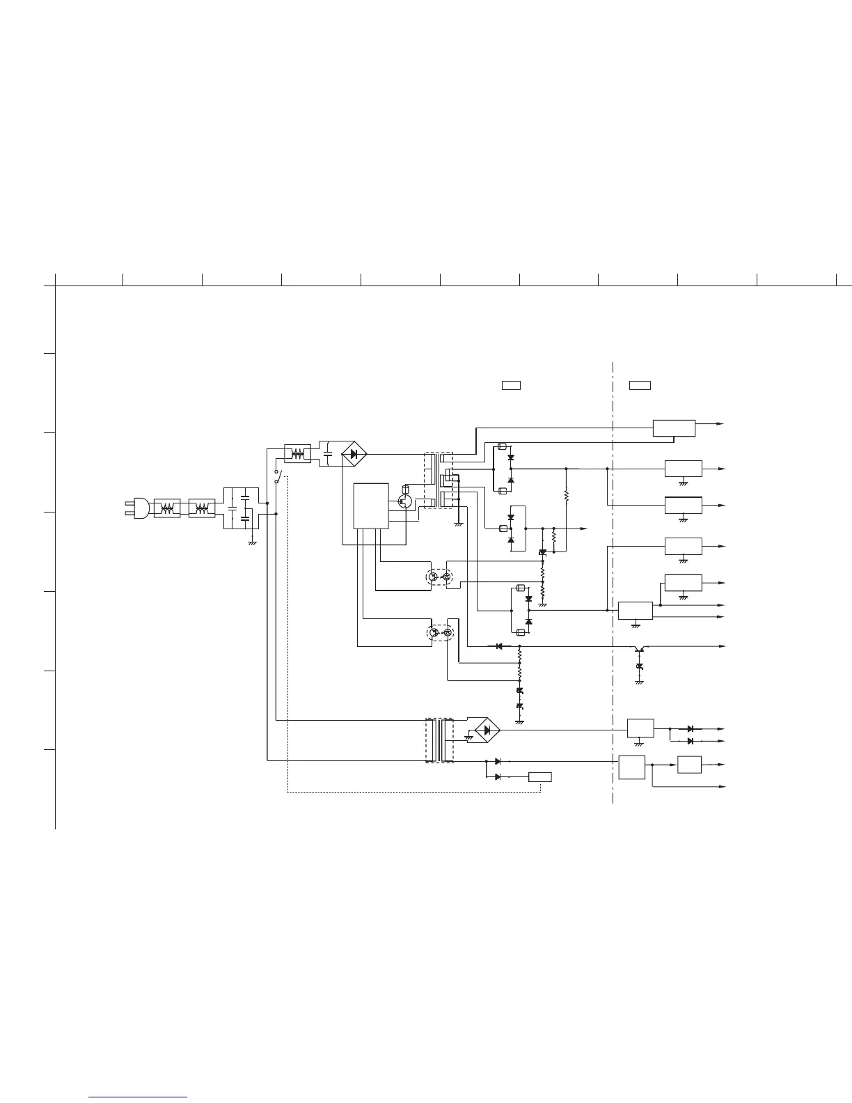
DRX-730/NX-E700
45
Control
IC502
D501
T501
Q501
IC506
IC503
SW501
BA50D00W
+5I
V+5V
+5,+5A,+5FL,+5D
BD9778HFP
AC IN
-20D
BD9302FP
6R3V
3R3V
VP
+5.6V
Power
Detect
Reset
+5M
+5BU
Relay
SW501
IC11
12p
IC11
19p
T502 D513
IC27
IC12
IC15
Q49
Q48 Q47
+5SUB
+12_RES
+7I
IGND
+20D
+15DD
-21V
IC6
KIA78M05
+12FL,+12V,+12A
IC9
IC10
KIA7812API
+10T,+9A,+9B
IC5
KIA7809API
MAIN
• See page 53
SCHEMATIC DIAGRAM
SUB
• See page 54
SCHEMATIC DIAGRAM
POWER SUPPLY SECTION BLOCK DIAGRAM

Other manuals for Yamaha NX-E700

Related product manuals