EasyManua.ls Logo

Yamaha VK540EF - Charging System

Yamaha VK540EF
439 pages
Print Icon
To Next Page IconTo Next Page
To Next Page IconTo Next Page
To Previous Page IconTo Previous Page
To Previous Page IconTo Previous Page
Loading...
7-24
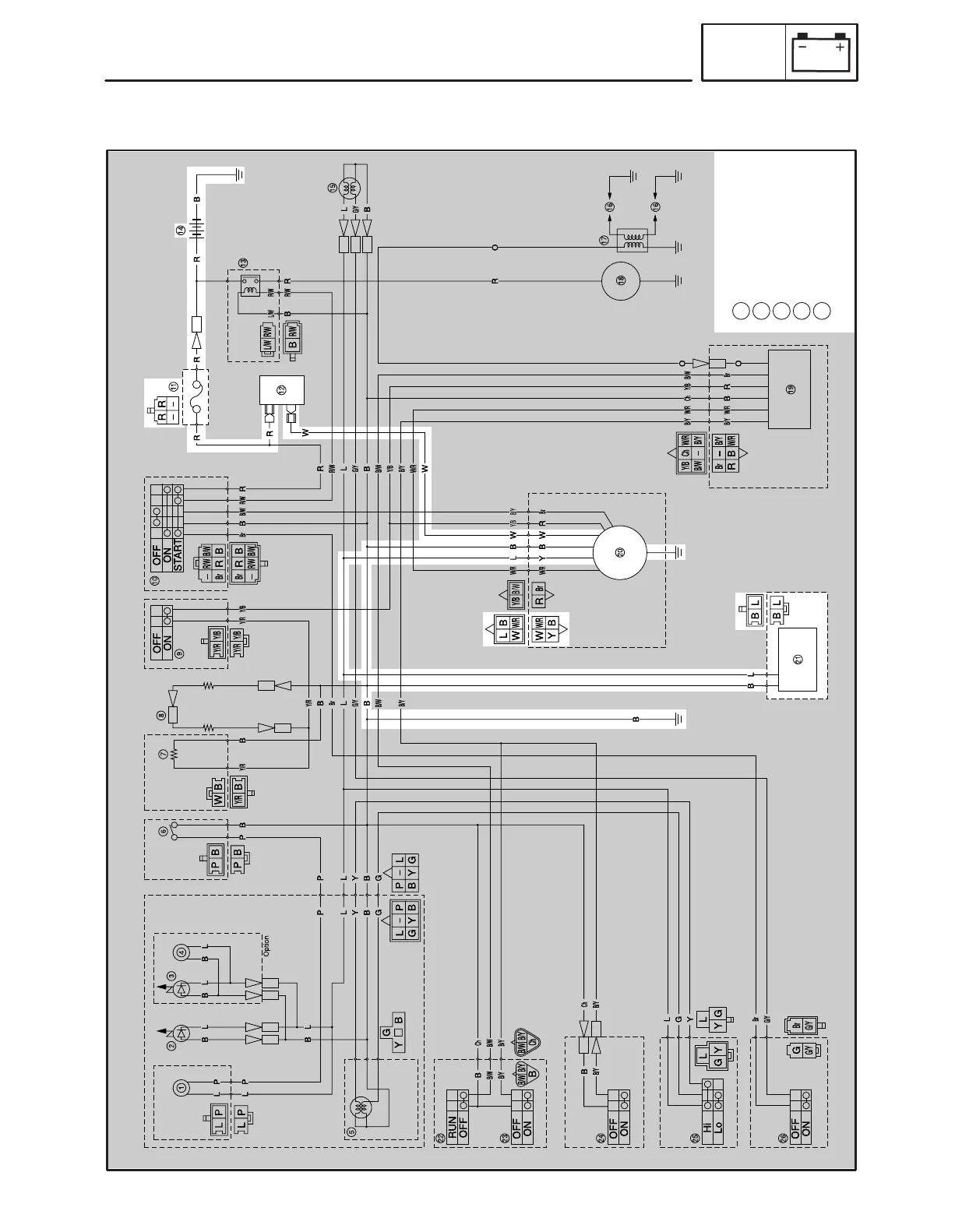
Fuse
Rectifire regulator
Battery
CDI magneto
Voltage regulator
11
12
14
20
21
CHARGING SYSTEM
ELEC
CHARGING SYSTEM
CIRCUIT DIAGRAM

Table of Contents

Other manuals for Yamaha VK540EF

Related product manuals